EasyManua.ls Logo

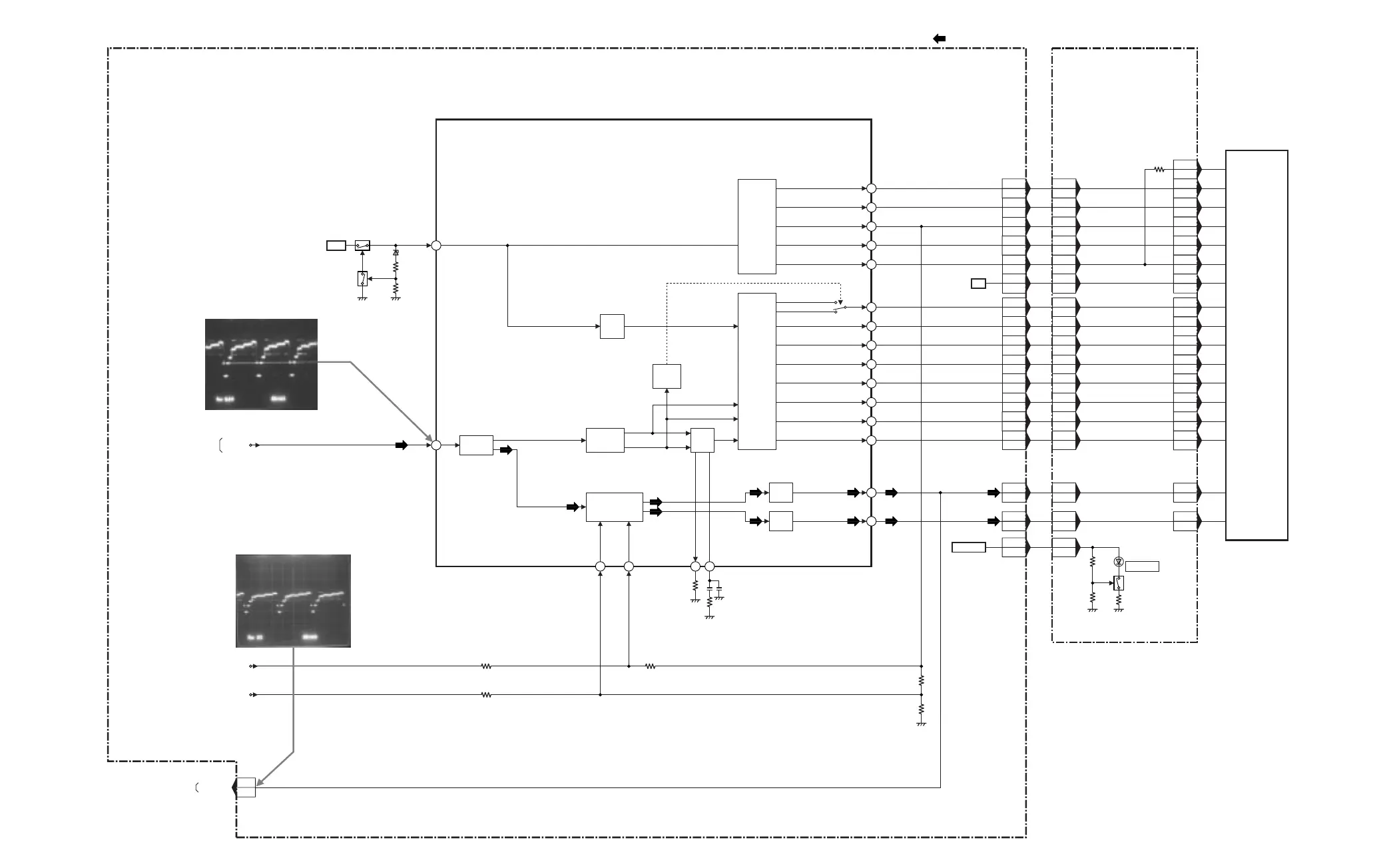
Panasonic NV-DS50A - EVF Block Diagram

Panasonic NV-DS50A
133 pages
Print Icon
To Next Page IconTo Next Page
To Next Page IconTo Next Page
To Previous Page IconTo Previous Page
To Previous Page IconTo Previous Page
Loading...
10
VIDEO SIGNAL (REC & PB)
IC901 (EVF SIGNAL PROCESS)
MAIN C.B.A. EVF BACKLIGHT C.B.A.
EVF LCD PANEL UNIT
FROM VIDEO
SIGNAL PROCESS I
BLOCK DIAGRAM
LUMA
(FROM IC6001(106))
EVF BLACK LEVEL CONTROL
(FROM IC6001(107))
EVF LUMINANCE GAIN CONTROL
TO MEASURING BOARD
(FOR EVR ADJUSTMENT)
EVF VIDEO
DC
CLAMP
V/H SYNC
SEPARATOR
POWER
DOWN
RESET
+15V
+3V
EVF-BL+5V
Q951
D951
BACKLIGHT
D901
Q901
Q902
H-SYNC
COLUMN INVERSION
PIXEL INVERSION
V-SYNC
PLL
LOWER
AMP
TIMING
GENERATOR
VOLTAGE
REGULATOR
BLACK LEVEL &
GAIN ADJUSTMENT
5
26
21
22
18
19
20
17
25
24
23
16
15
13
FP8
22
FP8
17
FP8
21
FP8
16
FP8
20
FP8
19
FP8
18
FP951
11
FP951
12
FP951
13
FP951
9
FP951
10
FP951
14
FP951
15
FP951
5
FP951
6
FP951
7
FP951
8
FP951
16
FP951
17
FP951
19
FP951
4
FP951
18
FP951
3
FP952
10
FP952
18
FP952
9
FP952
8
FP952
12
FP952
11
FP952
7
FP952
6
FP952
16
FP952
15
FP952
14
FP952
13
FP952
5
FP952
4
FP952
2
FP952
17
FP952
3
FP8
12
FP8
13
FP8
14
FP8
15
FP8
23
FP8
24
FP8
26
FP8
11
FP8
10
FP8
25
8 30
27
14
40
COUNTER
35 7
B2
15
UPPER
AMP
EVF BLOCK DIAGRAM
EVF BLOCK DIAGRAM
NV-DS29EG/NV-DS29EGM/NV-DS29B/NV-DS29EGE/NV-DS30EG/NV-DS30EGM/NV-DS30B/NV-DS30EGE/NV-DS30EN/NV-DS30ENT/NV-DS30ENC/NV-DS30A/NV-DS50EN/NV-DS50ENT/NV-DS50A

Other manuals for Panasonic NV-DS50A

Related product manuals