EasyManua.ls Logo

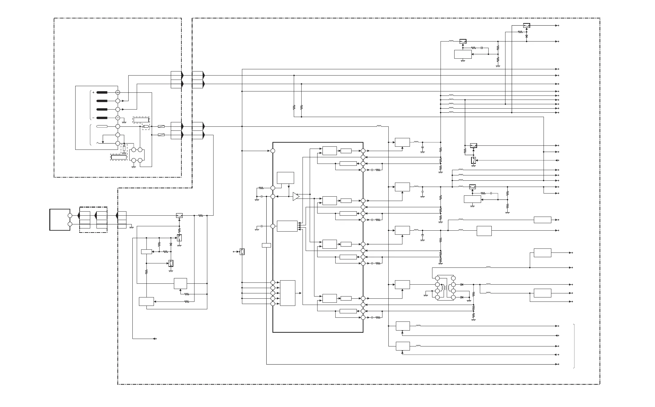
Panasonic NV-DS50A - Power Supply Block Diagram

Panasonic NV-DS50A
133 pages
Print Icon
To Next Page IconTo Next Page
To Next Page IconTo Next Page
To Previous Page IconTo Previous Page
To Previous Page IconTo Previous Page
Loading...
11
POWER SUPPLY BLOCK DIAGRAM
IP1201 2A/32V
NOT USED
T
D
T
D
JK7001
BATTERY
TERMINAL
DC JACK
REAR C.B.A.
FRONT C.B.A.
2
4
3
B1201
2,3,4,37,38
IP1202 1A/32V
FL1201
B1201
1,39,40
B1201
36
B1201
5
B1
36
B1
5
L1001
B1
2,3,4,37,38
B1
1,39,40
Q1001
(FROM Q6006 (C))
POWER ON (L)
13
14
21
23
22
MAIN C.B.A.
ON/OFF
CONTROL
VCC
20
IC1001 (PWM CONTROL)
TRIANGLE
WAVE
OSCILLATOR
15
16
17
Q1003
DRIVE
SHORTCIRCUIT
PROTECT
PWM
CONTROL
PWM
CONTROL
PWM
CONTROL
PWM
CONTROL
DRIVE
3
+5V
CONTROL
Q1004
L1002
5
7
ERROR AMP
8
46DRIVE
+3V
CONTROL
10
11ERROR AMP
12
Q1005
L1003
DRIVE
DRIVE
41
+1.8V
CONTROL
Q1006
L1004
27
26
25
ERROR AMP
ERROR AMP
36
+15V
CONTROL
Q1007
31
29
28
2
3
4
T1001
1
7
8
6
5
D1003
D1002
SOFT
START
Q1103
CURRENT
DETECT
Q1105
Q1101
Q1102
D1102
Q1106
LATCH
Q1104
FP1
6,7
FP1
8,9
FP6501
6,7
FP6501
8,9
P6501
1
P6501
3
LIGHT SOCKET UNIT
(FROM IC6001(32))
LIGHT ON (H)
L1012
Q1021
SHUNT
REGULATOR
CAM +3.2V
EVF/LCD +3V
Q1023
D1005
IC1003
UNREG
(TO IC6001(253))
BATTERY (T)
(TO IC6001(252))
BATTERY (D)
SYS UNREG
L1008
L1011
L1007
L1009
L1010
LCD-BL +5V
REG +5V (A)
HA +5V
LCD +5V
AF +5V
Q1018
Q1019
L1016
L1013
L1014
L1015
REG +2.5V (A)
EVF-BL +5V
(FROM IC6001 (174))
EVF BACKLIGHT ON (H)
A +3V
SP +3V
REG +3V (D)
RF +3V
SHUNT
REGULATOR
IC1002
Q1010
Q1027,Q1028
OVER
VOLTAGE
PROTECT
L1018
L1017
REG +1.8V (D)
REG +1.5V (D) REGULATOR
Q1024,Q1025,
Q1026
CAM +15V
LCD +12V
EVF +15V
LCD -15V
Q1032,Q1033
CAM -7V
-7V
REGULATOR
L1021
L1019
L1020
Q1030,Q1031
+12V
REGULATOR
CAP VM
CONTROL
L1005
Q1008
CAP VM
CAP SW
CYL VM
CONTROL
L1006
Q1009
CYL VM
CYL SW
TRIANGLE
WAVE
TO/FROM SERVO
BLOCK DIAGRAM
REG +2.5V (D)
4 3
1 2
NOT USED
POWER SUPPLY BLOCK DIAGRAM
NV-DS29EG/NV-DS29EGM/NV-DS29B/NV-DS29EGE/NV-DS30EG/NV-DS30EGM/NV-DS30B/NV-DS30EGE/NV-DS30EN/NV-DS30ENT/NV-DS30ENC/NV-DS30A/NV-DS50EN/NV-DS50ENT/NV-DS50A

Other manuals for Panasonic NV-DS50A

Related product manuals