EasyManua.ls Logo

Panasonic NV-HD642EE - Page 14

Panasonic NV-HD642EE
19 pages
Print Icon
To Next Page IconTo Next Page
To Next Page IconTo Next Page
To Previous Page IconTo Previous Page
To Previous Page IconTo Previous Page
Loading...
N
39u
L7701
6V47
C7720
0.1
C7701
39u
L7702
47K
R7705
B19
B20
0.1
C7708
B15
6V100
C7746
0.1
C7745
39u
L7708
C7718 470P
R7710 510
C7717 1
C7716 470P
R7709 510
C7715 1
C7714 47P
R7708 510
C7713 0.01
C7712 0.01
R7707 470
C7711 1
6V47
C7709
0.1
C7705
0.1
C7722
15K
R7714
39K
R7723
56K
R7722
100
R7724
27u
L7703
33P
C7726
0.1
C7702
1500
R7715
5600
R7716
0.1
C7723
B23
B22
B24
B21
M35063WVAV
IC7701
D15
D14
D13
D12
D11
D10
D9
D8
D7
D6
D5
D4
D3
D2
VDD1
VSS
TEST1
AC
SLICEON
GRAY
R
G
B
BLNK
CSYN
ED01
ED02
VERT
HOR
D0
FSC IN
VSS
LP4
VDD4
LP3
NC
LP2
NC
LP1
VSS
CV IN3
VDD3
CV IN2
SECAM IN
CV IN1
LECHA
NC
VSS
C VIDEO1
VDD2
TEST3
RD
WR
BCLK
CS
TEST2
A3
A2
A1
A0
VDD1
64 63 62 61 60 59 58 57 56 55 54 53 52 51 50
48
47
46
45
44
43
42
41
40
39
38
37
36
35
34
33
32313029282726252423222120191817
16
15
14
13
12
11
10
9
8
7
6
5
4
49
3
2
VREF1
LEBK
D1
1
B18
UN5213
QR7703
330
R7721
18P
R7720
2SB1218A
Q7706
1K
R7719
25V4.7
C7724
100K
R7717
2SD1819A
Q7704
2SD1819A
Q7701
100K
R7711
25V4.7
C7721
2SB1218A
Q7702
1K
R7712
2SD1819A
Q7703
100K
R7713
25V4.7
C7728
82P
C7731
3300
R7730
B16
2SB1218A
Q7709
1K
R7729
A16A15A14A13A12A11A10
A9A8A7A6A5A4A3A2A1
0.1
C7734
D15D14D13D12D11D10
D9D8D7D6D5D4D3D2D1D0
M27C1024BCAA
IC7702
VCC
P
A16
A15
A14
A13
A12
A11
A10
A9
VSS
A8
A7
A6
A5
A4
A3
A2
A1
A0
G
Q0
Q1
Q2
Q3
Q4
Q5
Q6
Q7
VSS
Q8
Q9
Q10
Q11
Q12
Q13
Q14
Q15
E
VPP
4039383736353433323130292827262524232221
20 19 18 17 16 15 14 13 12 11 10
987654321
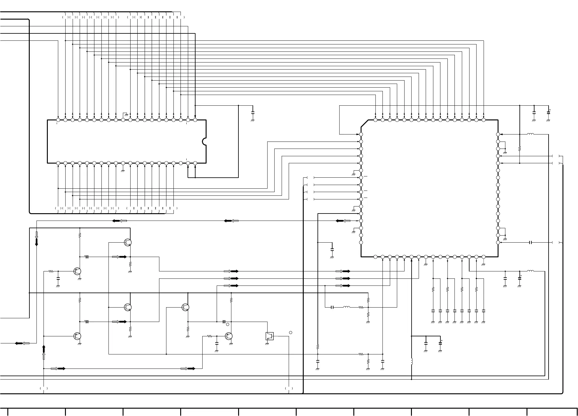
ORDERING.WHEN YOU ORDER A PART,PLEASE REFER TO PARTS LIST.
NOTE:DO NOT USE ANY PART NUMBER SHOWN ON THIS SCHEMATIC DIAGRAM FOR
201918171615
NOTE:THE MEASUREMENT MODE OF THE DC VOLTAGE ON THIS DIAGRAM IS STOP MODE.
14131211
H
1.1
0.7
0.6
1.0
0.7
1.0
0.8
1.3
0.9
1.0
1.0
1.0
1.4
1.4
1.3
1.5
5.0
5.0
5.0
0
0
0
0
0
0
0
0
2.6
5.1
5.0
5.1
0
0
0
5.1
2.0
5.0
2.0
2.1
2.0
1.3
0.1
0.1
0
2.0
5.0
4.9
4.9
2.2
5.0
1.6
4.0
3.3
3.4
0
2.6
1.9
2.6
2.0
5.0
1.61.6
2.0
5.0
2.5
1.9
1.9
2.6
1.6
2.0
5.0
5.0
5.0
0
0
0
0.6
0
0
0
0
1.3
1.3
0.9
1.1
1.9
1.6
4.0
3.3
3.4
5.0
5.0
1.1
0.7
0.6
1.0
0.7
1.0
0.8
1.3
0.9
1.0
1.0
1.0
1.4
1.4
1.3
1.5
4.9
(SCREEN :ON)
(AMP)
(AMP)(AMP)
(AMP)
(AMP)
(AMP)

Related product manuals