EasyManua.ls Logo

Panasonic P50GT30 - Page 49

Panasonic P50GT30
118 pages
Print Icon
To Next Page IconTo Next Page
To Next Page IconTo Next Page
To Previous Page IconTo Previous Page
To Previous Page IconTo Previous Page
Loading...
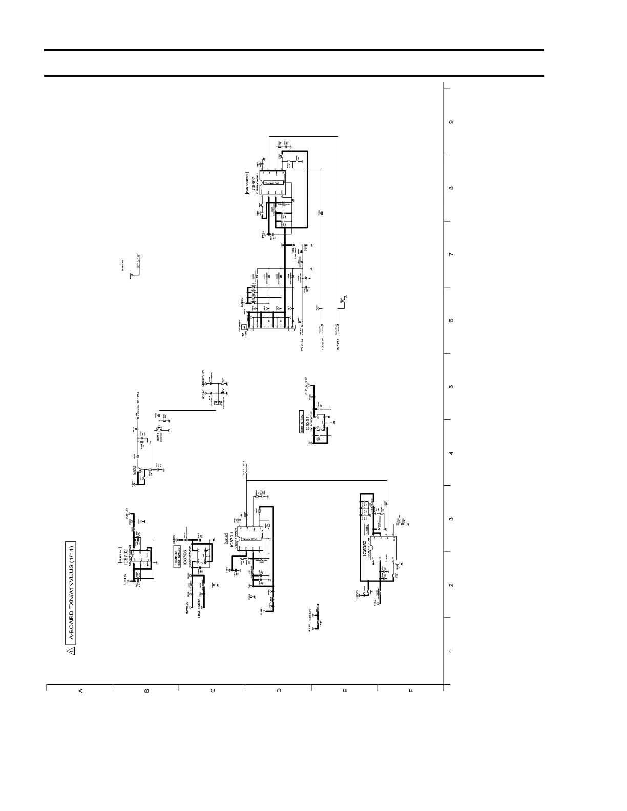
Model No. : TC-P55GT30 A-Board (1/14)
S-3

Table of Contents

Related product manuals