EasyManua.ls Logo

Panasonic RX-C300 - Schematic Diagram

Panasonic RX-C300
20 pages
Print Icon
To Next Page IconTo Next Page
To Next Page IconTo Next Page
To Previous Page IconTo Previous Page
To Previous Page IconTo Previous Page
Loading...
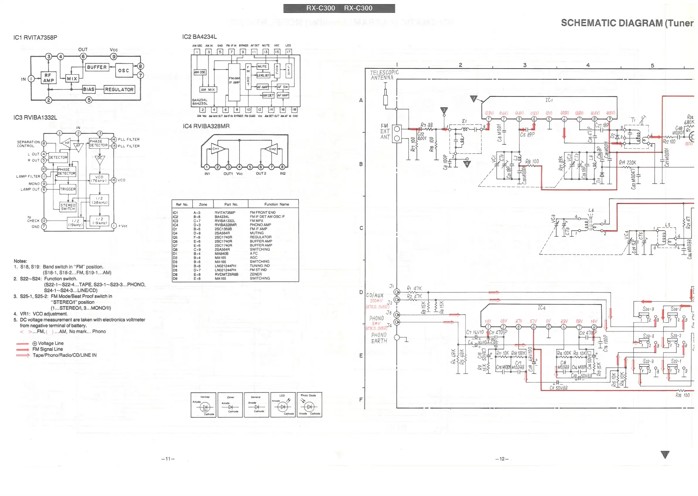
IC2
BA4234L
AMOSC
AMIN
IC1
RVITA7358P
iIC4
RVIBA328MR
PLL
F
SEPARATION
EEPIELER
CONTROL
PLL
FILTER
L
OUT
R
ouT
(5)
LAMP
FILTER
(16)
vco
MONO
LAMP
OUT
Ae3
RVITA7358P
fo
Be8
BA4234L
CHECK
(2)
‘is
ceed
Ce7
RVIBA1332L
+Vec
De3
RVIBA328MR
mee
©
Be6
2SC1359B
D:8
2SA564R
Fe8
2SC1740R
E6
2SC1740R
E6
2SC1740R
Ce9
2SA564R
Be4
MA840B
Be4
MA165
Notes:
BeG
MA165
1.
$18,
S19:
Band
switch
in
‘‘FM”
position.
ie
ries
el
(S18-1,
S18-2...FM,
S19-1...AM)
Ess
RVDOMTze6ReB
2.
$22~S24:
Function
switch.
E-8
MA165
(S22-1~S22-4...
TAPE,
S23-1~S23-3...PHONO,
$24-1~S24-3...LINE/CD)
3.
S25-1,
S25-2:
FM
Mode/Beat
Proof
switch
in
“STEREO/I”
position
(1...
STEREO/I,
3...
MONO/II)
4.
VR1:
VCO
adjustment.
5.
DC
voltage
measurement
are
taken
with
electronics
voltmeter
from
negative
terminal
of
battery.
<
>...FM,(
)...AM,
No
mark...
Phono
===
)
Voltage
Line
eaaa=p
FM
Signal
Line
c=»
Tape/Phono/Radio/CD/LINE
IN
Varicap
Zener
Anode
Anode
GND
FMIFIN
BYPASS
AF
OUT
MUTE
15
DG
Ore]
0]
0
ead
a
GL
Ox10]0)
AGC
AM
Vec
AM
MIXOUT
AMIFIN
BYPASS
FM
QUAD
Vcc
AMDET
OUT
AMAF
IN
GND
FM
FRONT
END
FM
IF
DET
AM
OSC
IF
FM
MPX
PHONO
AMP.
FM
IF
AMP
MUTING
REGULATOR
BUFFER
AMP
BUFFER
AMP
SWITCHING
AFC
AGC
SWITCHING
TUNING
IND
FM
ST
IND
ZENER
SWITCHING
General
Anode
TELESC
ANTENNA
SCHEMATIC
DIAGRAM
(Tuner
OPIC
A
IC
gu»
4av)
Gav)
asyd
Ov)
@5v)
By)
@av)
aay)
&
4.
B
Cc
Stl
atk
}
Pleomax
Oe]
=
3
200mV
AC,
=
=
=
c
(47KQ..0VER)
1
ned
2
S2g-
S242
)
2
-
24-3
20:
sists
3
&
|
530
53
c
(ark.
over!
+
i
PHONO
EARTH
¢
E
Photo
Diode
NN
F
Cathode
Cathode
fit
Cathode
Anode
Cathode
—12—

Related product manuals