EasyManua.ls Logo

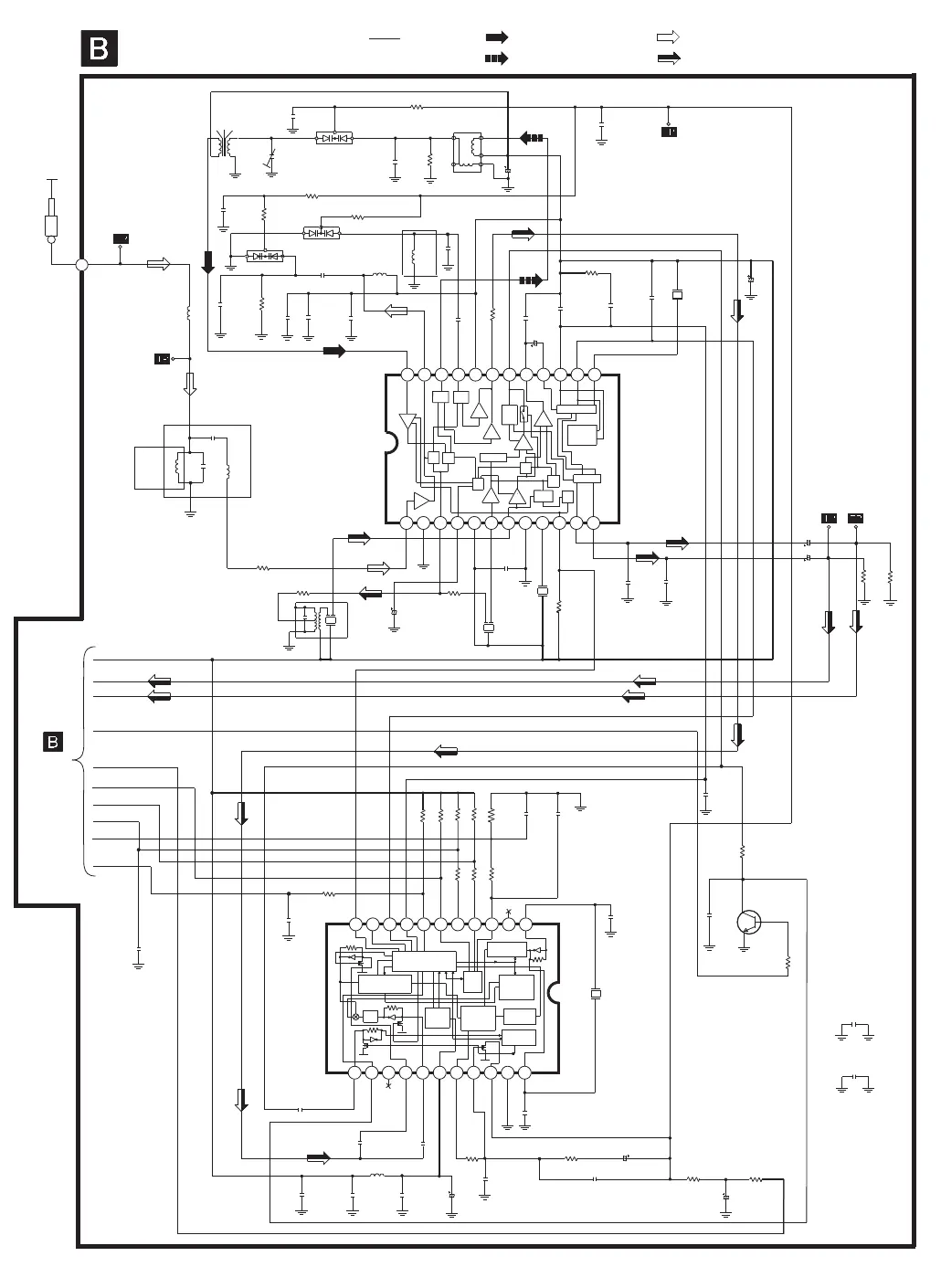
Panasonic RX-D10 - Main (Tuner) Circuit Diagram

Panasonic RX-D10
76 pages
Print Icon
To Next Page IconTo Next Page
To Next Page IconTo Next Page
To Previous Page IconTo Previous Page
To Previous Page IconTo Previous Page
Loading...
ANTENNA
TELESCOPIC
470K
470K
C24
R4
RESET
POWER
REGISTER LATCH
17
C36
10V100
K1000P
K1000P
K1000P
C32
K1000P
C54
C50
K1000P
C34
L7 100uH
C33
ON
12
M0.01
C31
16
15
14
13
PROGRAMMABLE
1/2
DIVIDER
12 bits
DATA SHIFT
C42
C44
50V2.2
M2200P
18P
4.7K
R30
M0.01
C37
2.2K
C40
R31
C35
10V100
LC72131D-U
IC2
PLL
R27
3.3K
R22
1K
DETECTOR
IC2
PUMP
CHARGE
COUNTER
UNIVERSAL
20
19
18
21
22
DETECTOR
4 bits
COUNTER
DIVIDER
REFERENCE
SWALLOW
2
C B
UNLOCK
PHASE
1/16,1/17
I/F
X3
SWITCHING
KTC3199GRTA
Q1
R21
4.7K
K330P
C30
7 611
10
9 8
R20
22K
RLI2B015-T
2
3
4
5
61
2
3
T1
4.7K
50V4.7
C22
5 4 3 2 1
R29
10K
R26
10K
R24
10K
R25
22K
R23
22K
R28
22K
C43
K100P
K1000P
C45
Q1
2.2K
R17
330P
C98
1
2
3
CF3
CF1
M0.033
220
R5
R12
10K
0.027
0.027
C8
22
OSC
AM
33
COIL
PRINTED
RLQY30S1W
-F
J10P
C2
BPF
L1
L2
J47P
C1
R91
3
2
1
FM
RF
IC1
FM
MIX
RF
AM
TA2008AN
D2 KV1360NTM
100K
RLQY30S1W
-F
L8
TUNER
IC1
K5.6P
R16
C5
K1000P
K1000P
C9
M0.033
23
24
KV1360NTM
D3
C23
K1000P
C6
C49
COIL
PRINTED
L5
L4
OSC
ST
FM
LEVEL
8
7
6
54
IF
AM
IF
12
11
10
9
LED
DET
BUFF
SW
REQ
1/8 DIV
MIX
AM
DET
AM
Buff
Buff
IF
BUFF
AGC
AM
FM MPX
AF
AM/FM
ST/MONO
SW
FM
DET
MUTE
C19
C18
C20
50V1
50V1
C21
M0.082
330
16V10
C12
K330P
K1000P
R32
17
18
19
20
21
FM
C13
13
14
1516
M0.068
C10
J10P
C15
C16
M0.082
R11
22K
X2
C17
4 2
C4
K1000P
3
1
L3
KV1520ATS2
R9 100K
R3
3.3K
R8 100K
CT1
100K
12P
R6
C7
D1
M0.022
C3
1
R2 10K
K1000P
430P
2
3
4
50V1
C51
L6
5
C14
R13
R14
50V1
C48
R50
100K
10K
R51
C60
1000P
CE
CL
DI
DO
7.5V
T_MUTE
TUL
TUR
TUNER SEL
FREQ_REF
330P
C92
K1000P
C53
MAIN(TUNER) CIRCUIT
TO
MAIN
CIRCUIT
(B) ON
SCHEMATIC
DIAGRAM-4
: AM Signal Line
: AM OSC Signal Line
: FM/AM Signal Line
: FM Signal Line
: +B Line
SCHEMATIC DIAGRAM-3
3
0
1
6
5
RL02B131-T
RLD4Y45-F
456KHZ
CF4
7.2MHZ
(A)
1000P
C99
<0.8V>
(0V)
<0V>
(0V)
<1.1V>
(1.3V)
<5.1V>
(5.1V)
<5.1V>
(5.1V)
<4.1V>
(5.1V)
<0V>
(0V)
<3.6V>
(4.1V)
<0V>
(4.6V)
<1.6V>
(1.6V)
<1.5V>
(1.5V)
<4.3V>
(4.5V)
<3.9V>
(0V)
<3.7V>
(0V)
<1.4V>
(1.4V)
<1.5V>
(1.2V)
<3.7V>
(3.6V)
<4V>
(4.1V)
<5.1V>
(5.1V)
<5.1V>
(5.1V)
<5.1V>
(5.1V)
<5.1V>
(5.1V)
<5.1V>
(5.1V)
<2.5V>
(2.5V)
<0V>
(0V)
<0V>
(0V)
<0.2V>
(4.9V)
<4.9V>
(4.9V)
<0V>
(5.1V)
<2V>
(2V)
<3.7V>
(0V)
<3.9V>
(0V)
<0.7V>
(0.6V)
<0V>
(4.7V)
<0V>
(0V)
<3.6V>
(3.6V)
<0V>
(2.5V)
<2.5V>
(0V)
<5V>
(5.1V)
<0.9V>
(0.8V)
<0.9V>
(0.8V)
<2.1V>
(5V)
<2.5V>
(2.5V)
<0V>
(0V)
<3.6V>
(3.6V)
12P
C39

Other manuals for Panasonic RX-D10

Related product manuals