EasyManua.ls Logo

Panasonic RX-D15 - Page 38

Panasonic RX-D15
71 pages
Print Icon
To Next Page IconTo Next Page
To Next Page IconTo Next Page
To Previous Page IconTo Previous Page
To Previous Page IconTo Previous Page
Loading...
PB REC
SW1001
PB REC
SW1001
PB REC
SW1001
PB REC
SW1001
PB REC
SW1001
PB REC
SW1001
1
2
3
4
5 6
7
8 91011
12
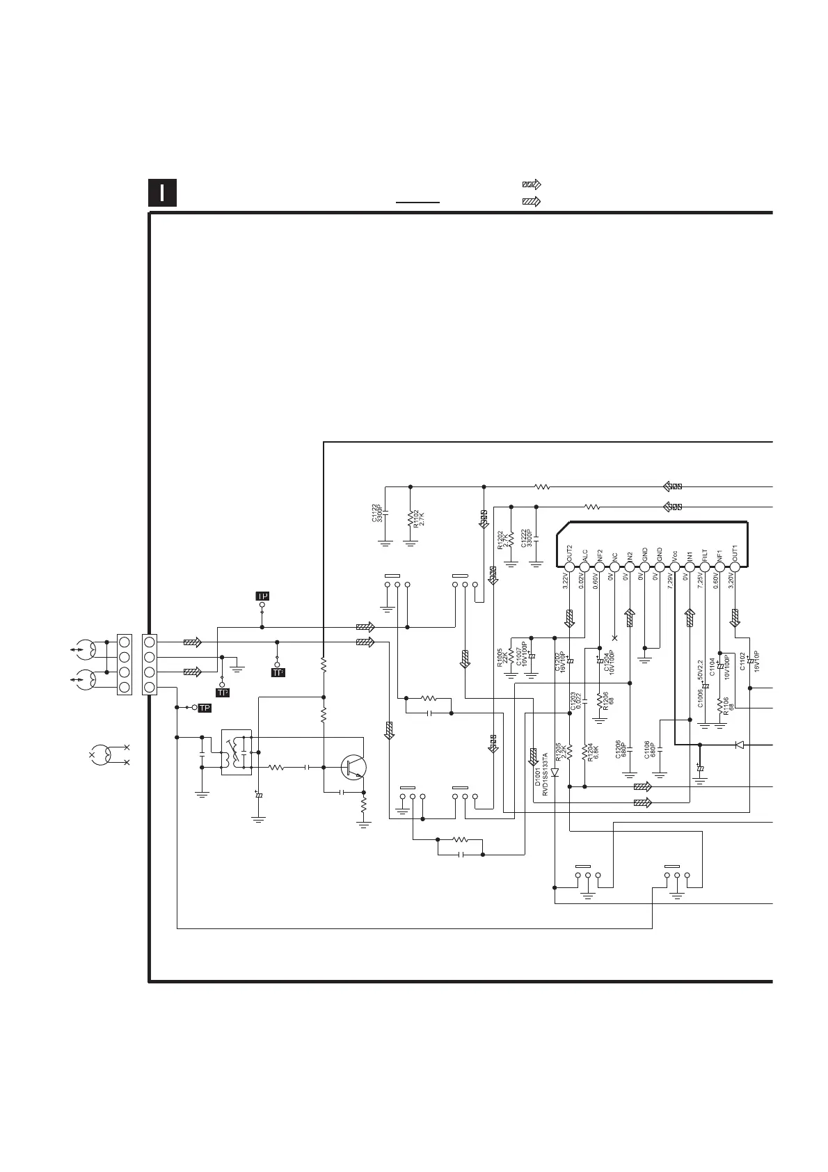
IC1001
BA3313L
L1001
1
2
4
3
1
2
4
3
CP1001
C1001
3900P
C1003
6800P
C1004
1000P
C1101
2700P
C1201
2700P
C1002
10V100P
C1008
10V220
Q1001
KTC3199BLTA
R1002
330
R1004
8.2
R1001
220
R1003
47K
R1201
18K
R1101
18K
R1203
220K
R1103
220K
42
41
43
44
LCH
RCH
R. BIAS
GND
Rch
Lch
E.HD
DECK CIRCUIT
SCHEMATIC DIAGRAM-5
IC1001
Q1001
: +B Signal Line
BEATPROOF OSCILLATOR
(BIAS CONTROL)
PRE-AMP IC
: Playback Signal Line
: Rec Signal line
D1002
2.34V
0.14V
0.83V

Other manuals for Panasonic RX-D15

Related product manuals