EasyManua.ls Logo

Panasonic RX-D15 - Page 44

Panasonic RX-D15
71 pages
Print Icon
To Next Page IconTo Next Page
To Next Page IconTo Next Page
To Previous Page IconTo Previous Page
To Previous Page IconTo Previous Page
Loading...
<0V>
<9V>
<3.31V>
109
11
12
SW302
321
IC302
C209
16V 0.068
C109
16V 0.068
C319
1000P
C327
1000P
C333
0.01
C313
560P
C324
1000P
C330
0.1
C315
1000P
C301
25V47
C316
10V100
C115
50V1P
C110
50V22
C210
50V22
C320
16V22
C215
50V1P
C318
16V22
C314
10V47
Q703
Q704
Q304
Q201
Q101
Q103
Q203
Q302
D309
MTZJ6R2CTA
D304
MTZJ7R5ATA
Q308
Q305
Q303
Q301
R769
100
R321
10K
R328
10K
R770
10K
R791
10K
R785
10K
R215
4.7K
R336
1.2K
R335
10K
R325
10K
R310
33K
R327
22K
R323
1.5K
R223
4.7K
R123
4.7K
R115
4.7K
R116
1K
R216
1K
R326
22K
R324
33K
R315
1.2K
R312
2.2K
R314
330
R316
330
R313
47K
R317
150
R319
150
R320
4.7K
R301
22
D302
RVD1SS133TA
D301
RVD1SS133TA
D307
RVD1SS133TA
D308
RVD1SS133TA
D305
RVD1SS133TA
3
2
1
H301/W301
7.5V
VDD_CTL
VDD_CTL
TONE
P_DET
TAPE_H
VCC_9V
VCC_9V
VCC_9V
P_CNT
VREF
T
R
CD
BU3.3V
GND
6V
VCC 9V
((0V))
((0.67V))
((0.21V))
((0V))
((0V))
((4.13V))
((0V))
((0V))
((0V))
((0V))
((0V))
((0V))
((0V))
((0V))
((0V))
((0V))
((3.29V))
((0V))
((3.31V))
((8.98V))((7.61V))
((8.33V))
((8.33V))
((7.49V))
((6.90V))
((7.61V))
((6.97V))
((3.45V))
((6.97V))
((2.74V))
((3.29V))
((3.43V))
((0.16V))
((0.76V))
((0V))
((0V))
((0V))
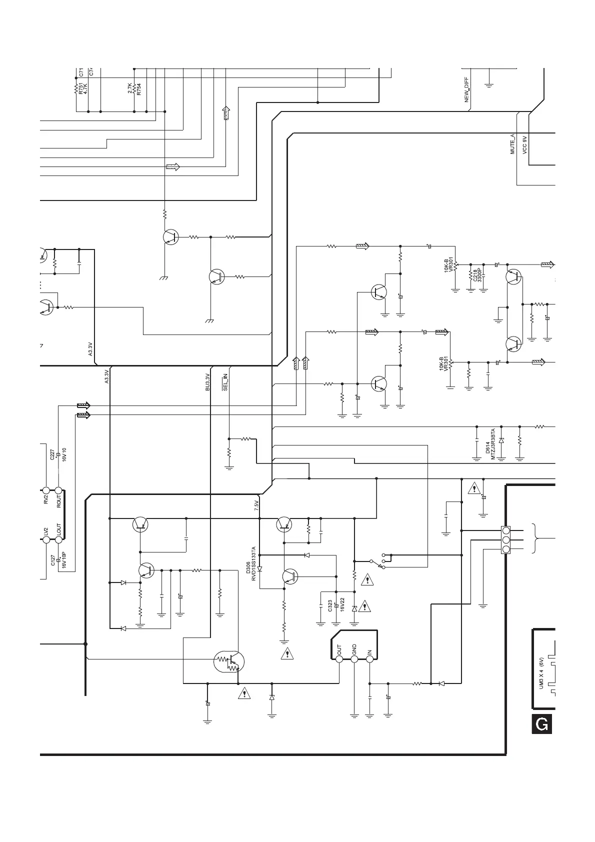
Q305
KTA12710YTA
CURRENT CONTROL
SWITCH
Q703, Q704
KTC3199GRTA
SWITCH
KTA1046
CURRENT CONTROL SWITCH
Q301
KTA12710YTA
CURRENT CONTROL SWITCH
Q303
KRA102MTA
POWER CONTROL
SWITCH
Q308
KTC3199BLTA
STABILIZER
Q304
7.5V
Q302
KTC3199BLTA
REGULATOR
IC302
S81233SGUP
+3.3V REGULATOR
Q103, 203
KTC3199GRTA
MUTING SWITCH
Q101, 201
KTC3199GRTA
SWITCH
(TONE CONTROL)
C335
1000P
C317
2200
13
14
15
16
R329
1.5K
C118
3300P

Other manuals for Panasonic RX-D15

Related product manuals