EasyManua.ls Logo

Panasonic RX-D15 - Page 47

Panasonic RX-D15
71 pages
Print Icon
To Next Page IconTo Next Page
To Next Page IconTo Next Page
To Previous Page IconTo Previous Page
To Previous Page IconTo Previous Page
Loading...
12
13
14 15
16
17
21
2019
18
22
10 911 8
7
6
5
3
4
2 1
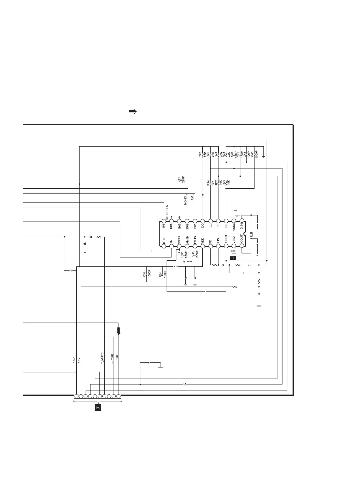
IC2
R21
100
R22
1K
R27
3.3K
R30
4.7K
R31
2.2K
C44
50V2.2P
12 4 6 8
10
9753
W304
C55
50V1
C36
16V100
C35
16V100
C30
330P
C581000P
C33
1000P
C31
0.01
C37
0.01
C40
2200P
C39
12P
C42
18P
L10
RLQAR22KT-G
L7
RLQZP101KT-Y
4
X3
RSXD7M20C01
PLLDO
PLLDA
PLLCLK
PLLCE
TO MAIN CIRCUIT
(W304) ON SCHEMATIC
DIAGRAM-2
<1.70V> (1.72V)
<0V> (0V)
<0V> (0V)
<0.15V> (3.31V)
<3.31V> (3.31V)
<3.43V> (3.44V)
<2.57V> (0V)
<2.80V> (0V)
<0V> (0V)
<0.06V> (0V)
<3.44V> (3.45V)
<0V> (0V)
<0.90V> (0.89V)
<0V> (0V)
<1.73V> (1.72V)
<0V> (0V)
<3.44V> (3.45V)
<0V> (1V)
<0V> (1V)
<7.62V> (0.64V)
<0V> (0V)
<1.75V> (1.76V)
IC2
LC72121T
PLL IC
: AM/FM Signal line
: +B Signal line
SCHEMATIC DIAGRAM-4
D12
R18
4.7K
D13

Other manuals for Panasonic RX-D15

Related product manuals