EasyManua.ls Logo

Panasonic RX-D15 - Page 46

Panasonic RX-D15
71 pages
Print Icon
To Next Page IconTo Next Page
To Next Page IconTo Next Page
To Previous Page IconTo Previous Page
To Previous Page IconTo Previous Page
Loading...
C14
1000P
C56
1000P
T1
13141516
17
21
20
19
18
23 22
10
9
11
12
8
76
53 4
2
1
CF1
CF4
RLFCFA450L4B
RCVFMA10T01S
R16
100K
R33
120
R4330
R3
3.3K
R91
68
R9100K
R2
10K
R17
2.2K
R8
100K
R6100K
D1
SVC384T-AL
L3
C20
50V1P
C21
50V1P
L6
C24
0.033
C25
620P
C3
0.022
C26
50V4.7
C22
50V0.47
C13
50V10
C51
50V10
C2
10P
C49
1000P
C4
1000P
C8
1000P
C5
2.2P
C57
0.022
C7
15P
Q1
Q1
KRC105MTA
MUTING CONTROL
(TUNER)
7
1
2
3
CF3
RLFDFT26AT
3
BPF
TELESCOPIC
ANTENNA
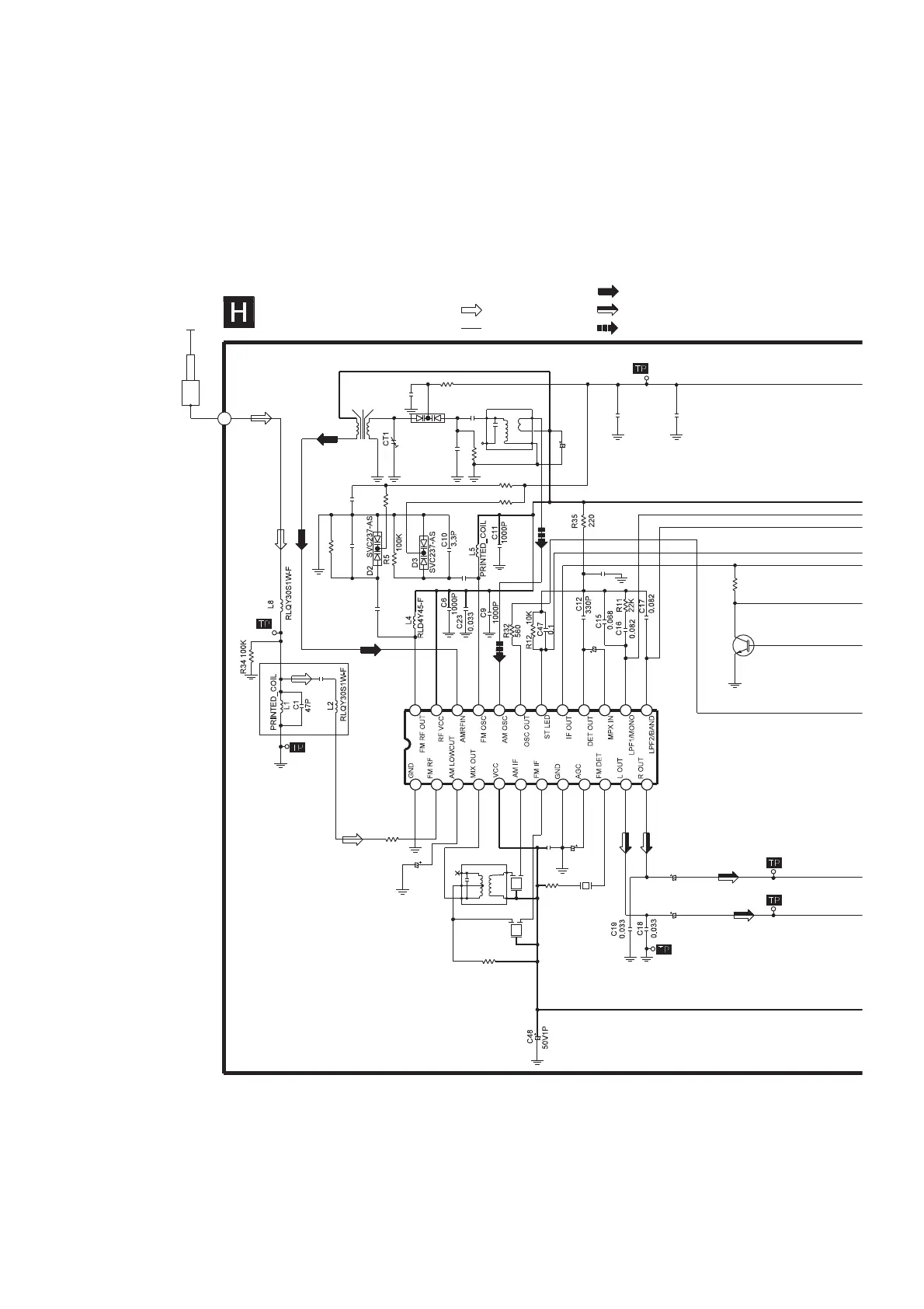
IC1
TA2149N
TUNER IC
TUNER CIRCUIT
SCHEMATIC DIAGRAM-3
: AM/FM Signal line
: +B Signal line
: AM OSC Signal line
: FM Signal line
: AM Signal line
<0V> (0V)
<0.80V> (0V)
<0V> (1V)
<3.21V> (3.42V)
<3.44V> (3.45V)
<2.91V> (2.78V)
<3.43V> (3.45V)
<0V> (0V)
<0V> (0.14V)
<2.66V> (2.89V)
<1.15V> (1.15V)
<1.16V> (1.16V)
<2.58V> (0V)
<2.81V> (0V)
<0.69V> (0.70V)
<1.30V> (1.03V)
<0.90V> (0.89V)
<3.43V> (3.44V)
<1.90V> (1.91V)
<3.44V> (3.45V)
<3.44V> (3.45V)
<3.44V> (3.45V)
<3.44V> (3.45V)
<3.44V> (3.45V)
24
IC1
1
2
3
4
1
2
3
1
2
3
3
4
12
<0V>
<0V>
<0.92>
6
5

Other manuals for Panasonic RX-D15

Related product manuals