EasyManua.ls Logo

Panasonic SA-PM10 - Page 102

Panasonic SA-PM10
111 pages
Print Icon
To Next Page IconTo Next Page
To Next Page IconTo Next Page
To Previous Page IconTo Previous Page
To Previous Page IconTo Previous Page
Loading...
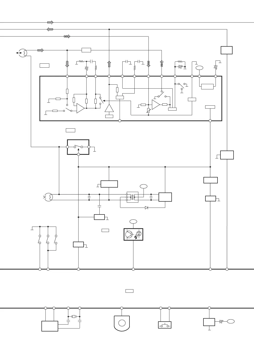
+B
FILTER
+B
46
6
50
SWITCH
BEAT PROOF
LEVEL SWITCH
45
48
IC1001
AN7326K
P/B REC AMP
58
C1AA00000612
ANALOG SWITCH
IC1000
SWITCH
Q903,Q904
X901
µ
P
BEAT PROOF
CONTROL
MBP2
9 10
VOL_JOG
43
KEY1
41
KEY2
42
MBP1
12 13
OSC1
OSC2
(VOLUME JOG)
VR900
6
9
TPS
RIPPLE
REJECTION
19(4)
18
17
16(7)
15(8)
14
13
12
10
PB LOUT(R)
ALC LOW OUT
TPS
GAIN ADJ
REC
L OUT(R)
REC
LIN(R)
ALC
NOR/CRO SW
VCC
RF
TPS OUT
PB/REC
SW
MUTE
ALC
LOGIC
REC AMP (L)
ERASE
HEAD
R/P HEAD
(Lch)
22(1)
PB LIN(R)
L1301
Q1309,
Q1310,
Q1312
Q1317
Q1313
BP
REC_H
21(2)
20(3)
PB L NF(R)
PB L EQ(R)
S973 (RECINH_F)
S971 (MODE)
S972 (HALF)
4
3
2
AN4
AN7
DMT
PHOTO
BIAS
SWITCH
D1301
IC901
MN101C57DAA
MICROPROCESSOR
KEY SW
+B
MUTING
SWITCH
Q1101
(Q1201 )
DECK
MUTING
CONT.
Q1302
SWITCH
(REC:H)
SWITCH
Q1304
Q1303
SWITCH
Q1305
+B
RESET
SWITCH
/NRST
18
Q902
IC971
CNB13030R2AU
PHOTO
INTERRUPTOR

Related product manuals