EasyManua.ls Logo

Panasonic SA-PM10E - Page 103

Panasonic SA-PM10E
111 pages
Print Icon
To Next Page IconTo Next Page
To Next Page IconTo Next Page
To Previous Page IconTo Previous Page
To Previous Page IconTo Previous Page
Loading...
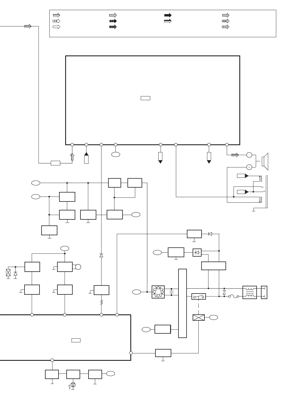
OUT-_L
OUT-_R
OUT+_L
OUT+_R
MUTE
STSY
IN_R
IN_L
2
11
56
7
15
4 13
: PLAYBACK SIGNAL LINE
: RECORD SIGNAL LINE
SIGNAL LINES
: FM SIGNAL LINE
: FM OSC SIGNAL LINE
: MAIN SIGNAL LINE
: FM & AM SIGNALS LINE
: AM SIGNAL LINE: CD SIGNAL LINE
: CD-DA (AUDIO/VIDEO) SIGNAL LINE
: AM OSC SIGNAL LINE
: AUX SIGNAL LINE
( ) Indicates the Pin No. of Right channel.
RCH
+B
RCH
RCH
RCH
AN7194K-LD
POWER AMP
IC501
+B
+B
+B
SYS 6V
REGULATOR
+
Q502
SWITCH
Q602
D603~D606
D900~D904
D501~D504
Q601
+B
JK501
HIGH CH
(6 )
LCH
D608
7
Q802
MUTEA
MUTING
CONTROL
+B
51
DIMMER
Q801
M
Q1315
Q1314,
Q1316
SWITCH
SWITCH
(MOTOR
SUPPLY)
Q901
31
PL_H
57
MOTOR_H
Q900
PLUNGER
SWITCH
MOTOR
SWITCH
HEADPHONE
IC901
MN101C57DAA
MICROPROCESSOR
ECONA
SWITCH
15V
REGULATOR
Q600
33
HALT
PCONT
8
D354
Q800 Q806
JK600
AC INLET
T601
T600
Z600
F600
L600
RLY600
SUB-
TRANSFORMER
POWER TRANSFORMER
+B
+B
SWITCH
CURRENT
LIMITING
SWITCH
DIMMER
SWITCH
RCH
JK500
D951
+B
Q501
Q503
SWITCH
Q500
CURRENT
LIMITING
SWITCH
REGULATOR
FILTER
Q506
REGULATOR
Q504
SWITCH
Q505
REGULATOR
+B
Q361,
Q362
SWITCH

Related product manuals