EasyManua.ls Logo

Panasonic SA-PM10E - Page 87

Panasonic SA-PM10E
111 pages
Print Icon
To Next Page IconTo Next Page
To Next Page IconTo Next Page
To Previous Page IconTo Previous Page
To Previous Page IconTo Previous Page
Loading...
C27
16V22
C14
50V3.3
C30
6.3V100
C25
25V22
C11
50V4.7
R29
27K
R28
82
R17
68K
R7
330
R19
12K
R10
5.6K
R6
470K
R5
470
R3
100
R11
390
R15
560
R13
10K
R16
1K
R14
5.6K
R18
4.7K
R12
100K
R37
1K
R36
1K
R35
1K
R34
470
R38 3.3K
R30 10K
Q1
B1AAAD000014
SWITCHING
X3
RSXD7M20C01
L2
CF1
J0B1075A0086
C2
16V100
D1
AM LOOP
ANT
FM EXT ANT
JK1
97
4
IC2
LC72131MDTRM
PLL IC (TUNER)
C12
0.01
C8
8.2P
C10
0.01
C33
15P
C34
18P
C32
1000P
C13
1000P
C24
100P
C7
0.047
C26
0.047
C4
1000P
C1
0.01
C3
0.01
C36
1000P
CE
PLLDA
PLLCLK
DO/ST
AM EXT
ANT
Q1
3
4
Z1
RLA2Z005-C
L3
ELEXTR47MA9
: AM OSC SIGNAL LINE
: FM OSC SIGNAL LINE
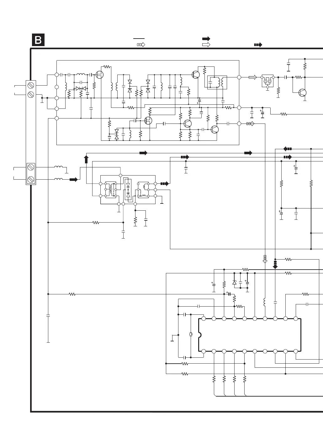
MAIN (TUNER) CIRCUIT
SCHEMATIC DIAGRAM-3
: +B SIGNAL LINE
: AM SIGNAL LINE
: FM SIGNAL LINE
UNBALANCED
75 OHM
GND
L1
ELESNR68MA
IFT
0.022
150
330
15P
470K
2P
18P
1.2K
10K
0.022
220
10K
8P
330
100K
3P
8P
HVM27
47P
2.7K
100
0.022
33K
33K
4P 22P 1P
220P
1.5M
100uF
16V
10K
1uH
HVM27
HVM27
7P
22
100K
8P
1P
8P
33K
18P
0.47uH
15P22P
2SK238
2SC2620
2SC2996
2SC2996
2SK360
1
2
3
4
5
7
6
8
0.022
Z20 ENV17290G1Y
11
12
13
14
15
16
17
20 19
18
10
8
65
3
21
Xin
Xout
VSS
DO
CL
DI
CE
AM
FM
MONO
IFIN
AMIN
FMIN
VDD
AOUT
PD
AIN
LW
SDC
STRQ
IC2
2
1
3
3
5
2
8
9
4
7
6
1
AM ANT COIL
AM OSC COIL
ELESNR68MA
D1
B0BA5R000004

Related product manuals