EasyManua.ls Logo

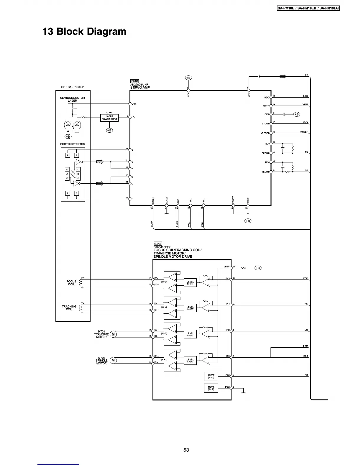
Panasonic SA-PM18E - System Diagrams; Block Diagram

Panasonic SA-PM18E
115 pages
Print Icon
To Next Page IconTo Next Page
To Next Page IconTo Next Page
To Previous Page IconTo Previous Page
To Previous Page IconTo Previous Page
Loading...

Table of Contents

Related product manuals