EasyManua.ls Logo

Panasonic SA-PM25 - Page 86

Panasonic SA-PM25
100 pages
Print Icon
To Next Page IconTo Next Page
To Next Page IconTo Next Page
To Previous Page IconTo Previous Page
To Previous Page IconTo Previous Page
Loading...
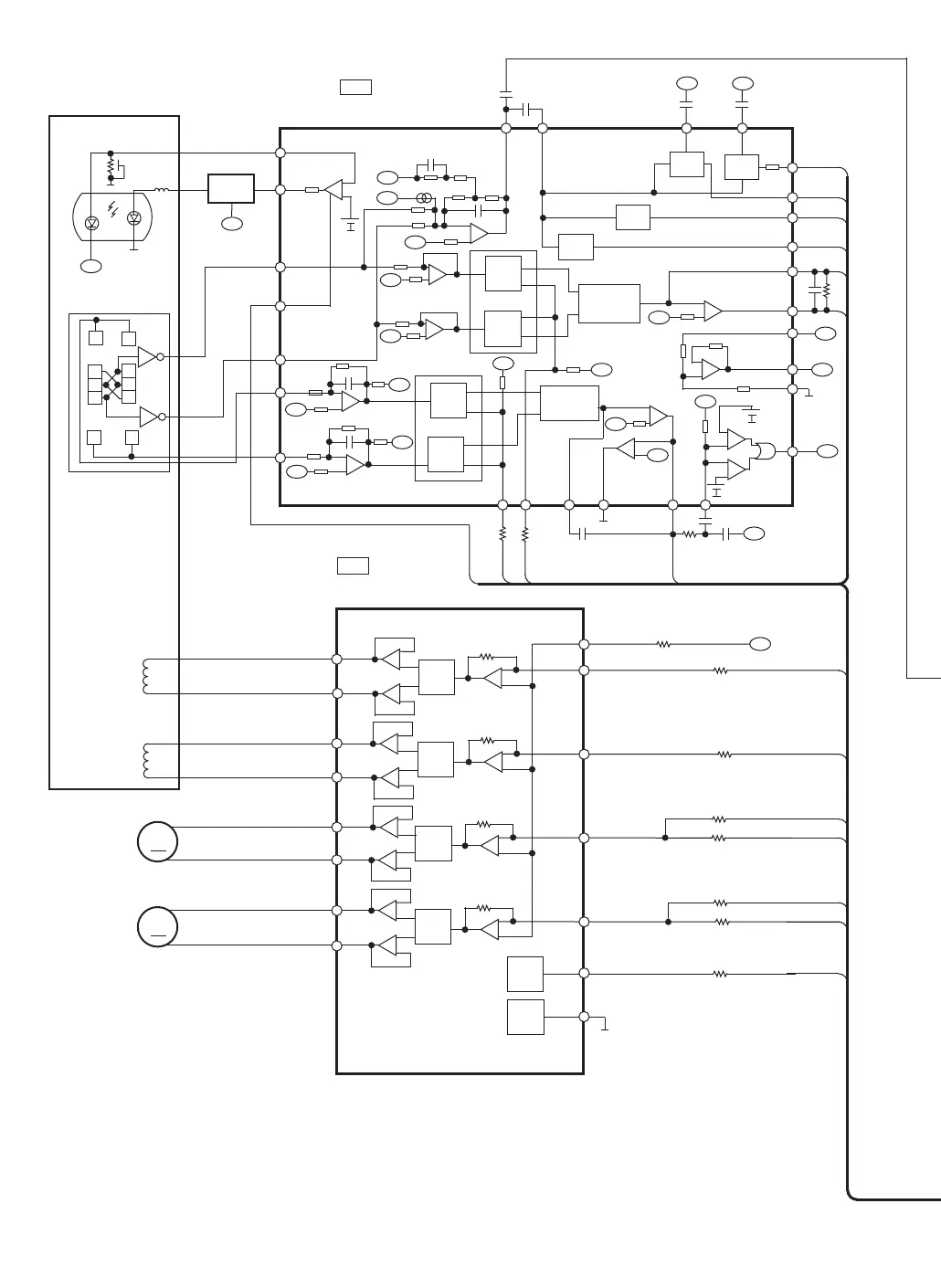
LASER
POWER
DRIVE
LPD
BDO
DET.
RF
DET.
SUBTRACTER
ACH
VCBA
BCH
SUBTRACTER
OFTR
DET.
3
TENV
LD
6
7
PDA
LDON
13
4
PDB
5
PDE
1
PDF
2
FCH
ECH
VCBA
RF RFIN
8 9 10
CRBRT
11
CEA
ENV
19
OFTR
BDO
/RFDET
FEN
17
12
15
25
FE OUT
VCC
VREF
GND
24
3
26
14
VDET
18
Q701
M701
TRAVERSE
MOTOR
M702
SPINDLE
MOTOR
E
E
D
A
D
C
B
C
F
F
PHOTO DETECTOR
FOCUS COIL
TRACKING COIL
F+
F-
T+
T-
D3+
15
D3+
16
D4-
17
LEVEL
SHIFT
[CH4]
D4+
18
14
D2+
LEVEL
SHIFT
[CH2]
D2-
13
D1+
12
D-
[CH1]
11
[CH3]
SP+
SP-
TRV+
TRV-
LEVEL
SHIFT
MUTE
[CH1]
MUTE
[CH2]
PC2
2
PC1
4
IN1
3
IN2
1
IN4
27
IN3
28
VREF
26
ENV
OFTR
BDO
/RFDET
FE
2123
TEBPF
TEOUT
CROSS
TEN
FBAL
1622
TBAL
2827
TBAL
FBAL
TE
LDON
PC
ECM
ECS
LOADING
TVD
TRD
FOD
CD OPTICAL PICKUP
SEMICONDUCTOR
LASER
+
-
B
+
-
A
LEVEL
SHIFT
+
-
+
-
+
-
+
-
+
-
+
-
+
-
+
-
+
-
+
-
+
-
+
-
+
-
+
-
+
-
+
-
+
-
+
-
+
-
+
-
+
-
E
+
-
F
M
M
+B
+B
+B
+B
+B
+B
+B
+B
+B
+B
+B
+B
+B
+B
+B
+B
+B
+B
+B
+B
+B
+B
+B
+B
IC701
AN8885SBE1
SERVO AMP
BA5948FPE2
BTL DRIVER
IC703

Related product manuals