EasyManua.ls Logo

Panasonic SA-PM29E - Page 34

Panasonic SA-PM29E
76 pages
Print Icon
To Next Page IconTo Next Page
To Next Page IconTo Next Page
To Previous Page IconTo Previous Page
To Previous Page IconTo Previous Page
Loading...
R756
22
R757
22
C729
3300P
R738
8.2K
C722
3900P
C721
3900P
R742
3.9K
R740
18K
R741
5.6K
C720
50V1
R743
270
Q717
Q716
Q716,Q717
KTC3199GRTA
SWITCH
C725
3900P
C724
3900P
R746
3.9K
R744
18K
R745
5.6K
C723
50V1
R747
270
R777
2.2K
C731
50V0.22
R729
1K
R722
100K
R734
2.2K
R724
100K
C730
50V0.22
R723
1K
R725
1K
R728
1K
Q711,Q710
B1AAGC000006
MUTING SWITCH
Q711
Q710
R730
220K
C712
2700P
R731
6.8K
C713
50V1
C714
0.012
R732
8.2K
R733
8.2K
R737
680
Q714
Q715
Q714,Q715
KTC3199GRTA
SWITCH
R779
8.2K
C717
0.012
R735
220K
C715
2700P
R736
6.8K
C716
50V1
R739
680
R700
18
R701
56K
C700
6.3V100
R703
10K
R702
100
Q700,Q702
B1AACF000063
AMPILIFER
Q700
Q702
Q701
KTA12710YTA
SWITCH
R707
5.6K
R706
4.7K
C701
25V33
R704
56K
D705,D706
B0AACK000004
D706
R710
56K
R708
10K
C703
0.1
R711
820K
C704
6.3V220
Q703
B1AACF000063
SWITCH
D707
B0AACK000004
C702
50V22
R709
820K
Q517
KTC32030YTA
REGULATOR
D705
FAN1
FAN2
10V
+9V
10V
MUTE_H
DCDET
+10V
SUBWOF
7.5V
SW5V
R705
10K
: +B SIGNAL LINE
: - B SIGNAL LINE
: MAIN SIGNAL LINE
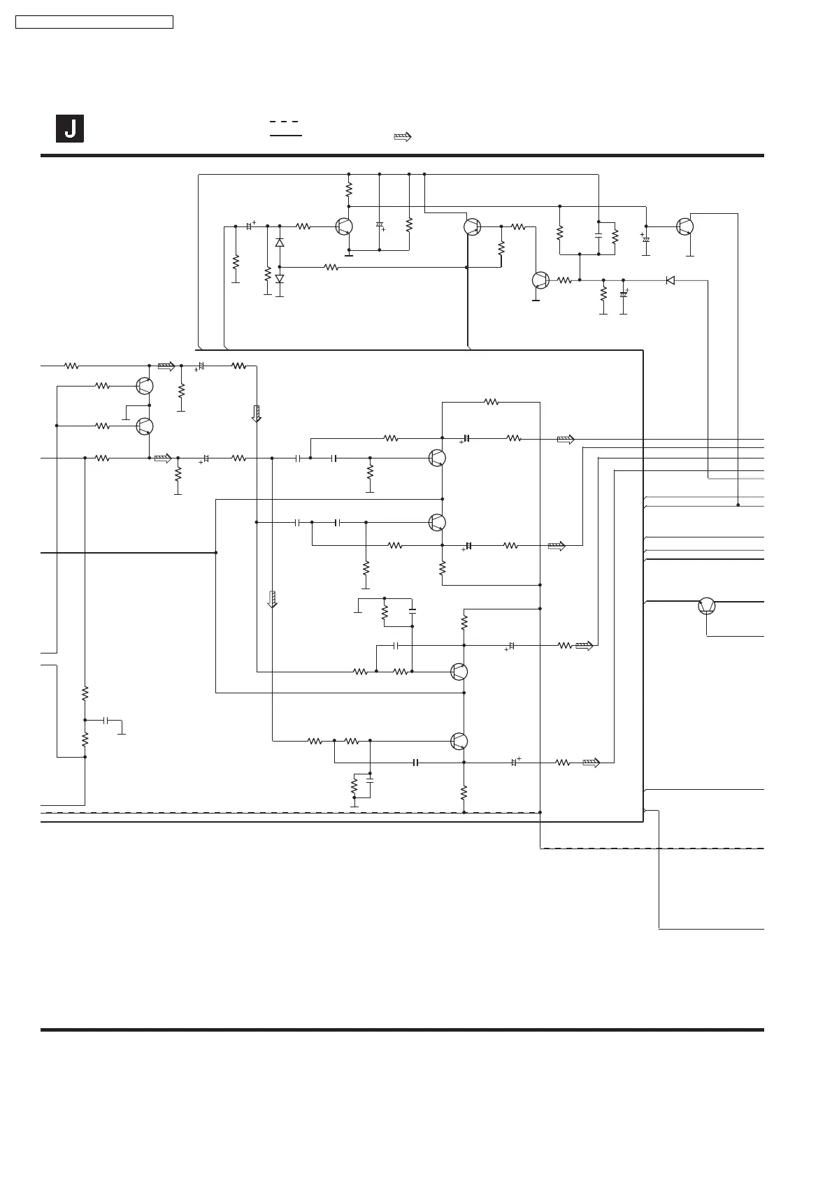
POWER CIRCUIT
SCHEMATIC DIAGRAM-13
82
SA-PM29E / SA-PM29EB / SA-PM29EG

Related product manuals