EasyManua.ls Logo

Panasonic SA-PM65MD - Page 127

Panasonic SA-PM65MD
144 pages
Print Icon
To Next Page IconTo Next Page
To Next Page IconTo Next Page
To Previous Page IconTo Previous Page
To Previous Page IconTo Previous Page
Loading...
3
5
7
9
10
8
6
4
2
1
R790
150
R793
120
R794
1K
R792
100
R791
82
R772
220
R774
220
R773
220
R787
10K
R798
47K
R797
47K
R778
1.8K
R785
68K
R780
2.7K
R784
22K
R781
4.7K
R782
6.8K
R783
10K
R779
2.2K
R777
1.2K
R776
1K
R775
1K
R799
3.3K
Q751
SW780
SW786
SW785
SW784
SW783
SW782
SW781
SW779
SW778
SW777
SW776
SW775
C795
1000P
C794
1000P
D752
D753
D754
LNJ301MPUJAD
D751
SML72420C
1
2
3
4
COM
NC
B
A
VR751
EVEGB2F1524B
D5V
JOGB
JOGA
ADIN0
VREF+
STNDBY LED
GREEN
OPERATE LED
CD
TUNER
MD
RED
CD_EJECT
MD_PLY/II
F_SKIP
OPEN
CD PANEL
MD_EJECT
OPEN
MD PANEL
TNR/BAND
STOP
R_SKIP
CD_PLY/II
MODE(ECO)
POWER
JOG VOLUME
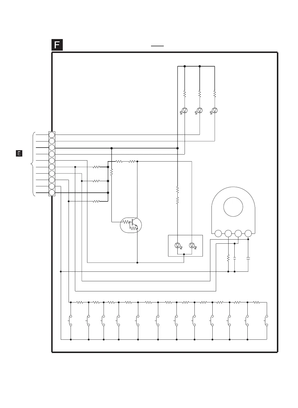
D752, 753, 754
CS702B
TO
PANEL
CIRCUIT
(CS702A) on
SCHEMATIC
DIAGRAM-14
TACT SWITCH CIRCUIT
SCHEMATIC DIAGRAM-15
DTC114EUA106
Q751
LED SUPPLY CONTROL
: +B signal line
<0.08V>
(0.09V)
((0.08V))
<0.02V>
(0.03V)
((0.02V))
<4.49V>
(4.65V)
((4.58V))

Related product manuals