EasyManua.ls Logo

Panasonic SA-PM65MD - Page 131

Panasonic SA-PM65MD
144 pages
Print Icon
To Next Page IconTo Next Page
To Next Page IconTo Next Page
To Previous Page IconTo Previous Page
To Previous Page IconTo Previous Page
Loading...
L700
MAGNETIC
HEAD
Q10,Q11
HEAD
DRIVE
NEFMON
73 43~46
1,2,
24,25
5,
9~12
33~43
14~48
47 48
4 23 3
49
26
13
VCC
VSS
WE
CAS
RAS
A0~9
D01~04
72
NREFM
97
PEFMS
REFM1
EFMIREF
EFMPLLF
ADIP
SPON
TVON
OFTR
TRCRS
TEFSEL
FG
RFDAT
RFCK
NRFLD
ASGAIN
ABGAIN
FBAL
TOFS
TBAL
AMONI
TGAIN
FOD
TRD
TVD
SPD
VREF
94
95
96
1
22
23
91
90
100
25
87
88
89
14
15
11
10
12
8
13
18
19
20
21
9
APCD
92
D/A
CONVERTER
RFIC
SERIAL INTERFACE
DIGITAL
SERVO
PROCESSOR
ADIP DEM/FM DEM
EFMMOD/
EFMDEM/
EFMPLL
EXTERNAL RAM
CONTROL
DIGITAL
OUT
CHIP CONTROL
APC GEN.
MICRO
COMPUTER
SERIAL
INTERFACE
ATRAC DIGITAL
SIGNAL
PROCESSOR
ECC SPM
CONTROL
SELECTOR
FS
CONVERTER
DIGITAL
IN
DIN PLL
MASTER
PLL
CLOCK
GEN.
MONI0~3
74~77
NRST
50
MSPMDARST
APCD
APCREF
92
SSCK
52
SELAD
SSDW
SSDR
51
53
54
SELAD
SSDW
SSDR
SSCK
SGSYNC
57
SGSYNC
RX1
RX2
70
71
XO
85
XI
84
16,98
28,59,27
24,58,83
17,99
29,60
ADIP
SPON
TVON
OFTR
TRCRS
APCD
RFDAT
RFCK
NRFLD
AS GAIN
AB GAIN
FBAL
TOFS
TBAL
TGAIN
FOD
TRD
TVD
SPD
X2
(16.9344 MHz)
REFM
RDT0~3
RAD0~12
NRAS
NCAS
NWE
TX
TS0~2
69
79~
81
NRECT
26
NRECT
56
SCTSY
55
MDISY
SCTSY
MDISY
REGULATOR
78
TS3
AVDD0,1
IVDD0~2
DVDD0~2
AVSS0,1
DVSS0,1
CD & ADC/DAC INTERFACE
A/D CONVERTER
5 3 4 2 7 6
AS
FE
TE
LNP
BAT
DRMONI
HFRP
FS384
SCL
SWS
61 62 63
AS
FE
TE
LNP
CRS IN
SDAP
SDAR
EXSYSCK
64 65 82
DATA
BCK
68 67 66
LRCK
EXEFMCK
93
FS384
SEL
SWS
+B
+B
+B
+B
+B
+B
+B
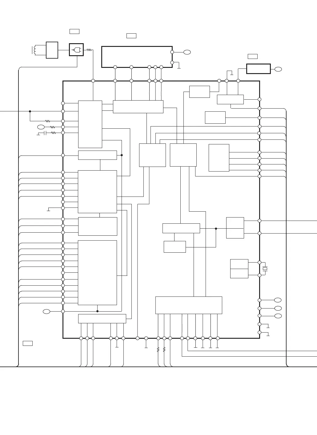
IC3
MN66616RA4
ATRAC ENCODER/DECODER,
SERVO SIGNAL PROCESSOR
IC9
RN5RZ26BA-TR
IC11
TC74HCT00AFL
NAND GATE
IC72
M51V4400D7FS
4M DRAM

Related product manuals