EasyManua.ls Logo

Panasonic SA-PM65MD - Page 132

Panasonic SA-PM65MD
144 pages
Print Icon
To Next Page IconTo Next Page
To Next Page IconTo Next Page
To Previous Page IconTo Previous Page
To Previous Page IconTo Previous Page
Loading...
REGULATOR
60
9
16
10
11
CLOCK
DIVIDER
MCLK
CMODE
LRCK
SCLK
SDTO
SDTI
12
15
SWS
SCL
FS384
SERIAL I/O
INTERFACE
SERIAL I/O
INTERFACE
COMMON
VOLTAGE
DECIMATION
FILTER
DECIMATION
FILTER
MODULATOR
MODULATOR
MODULATOR
+
+
+
8x
INTERPOLATOR
MODULATOR
L.P.F.
L.P.F.
7 8 18 17
/PWAD
/PWDA
DEM0
DEM1
AOUTR
19
20
VCOM
AOUTL
21
4
VCMR
AINR
3
5
6
VCML
AINL
1
VRDA
2 23 24 14 13 22
VRAD
VB
VA
VD
DGND
AGND
4 1
2
ADRST
DACRST
DEO
26
RST
VREF-
TEMP
SS DW
SS DR
SSCLK
NEFMON
SELAD
PC
MDISY
61 56 55 54 10 53 6 25
SCTSY
CFSYNC
HFON
24 44 48 7 5 46
MSP RST
NRF STBY
TEST07
TEMP
SSDW
SSDR
SSCK
NEFMON
SELAD
PC
MDISY
SCTSY
SGSYNC
HFON1
MSPMDARST
NRFSTBY
NRECT
S3
15 16
S7
S5
S8
S1
S2
S6
S4
D9
17 18 19 14 13
12
LOAD
SW0(OPEN)
LOAD
SW1(TRG)
LOAD
SW2(PLAY/REC)
LOAD
SW3(PLAY)
PROTECT
REFLECT
DISC IN
TV SW
X1
(10.02 MHz)
OSC2
33 32
OSC1
70
VCC5V
69
VCC3V
31
VDD2
34,
37
VSS
3
1
VCC
GND
CONTROL LOGIC
9
10
4 2
+
-
M3
LOADING
MOTOR
9 10
LOAD0
LOAD1
LED OUT1
LED OUT2
27 28
LED OUT3
KEY1
29 62
KEY2
63
EEP
DATA
41
MMOD
20
LCDCK
ADRS
TEST
RXD
57 58
52
PANEL CS
RX1
TO MAIN
CIRCUIT
MD REQ
LOAD SW
MD CS
RX2
MD_LCH
RECIN_L(R)
51
PANEL DATAO
50
PANEL DATAI
49
PANEL CLK
MD DATA_OUT
MD DATA_IN
MD CLK
21
PANEL CS
MD SYSRST
7
5
1
3
3
REGULATOR
Q13
RCH
M
A
+B
+B
+B+B
+B
+B
-B
+B
+B
RCH
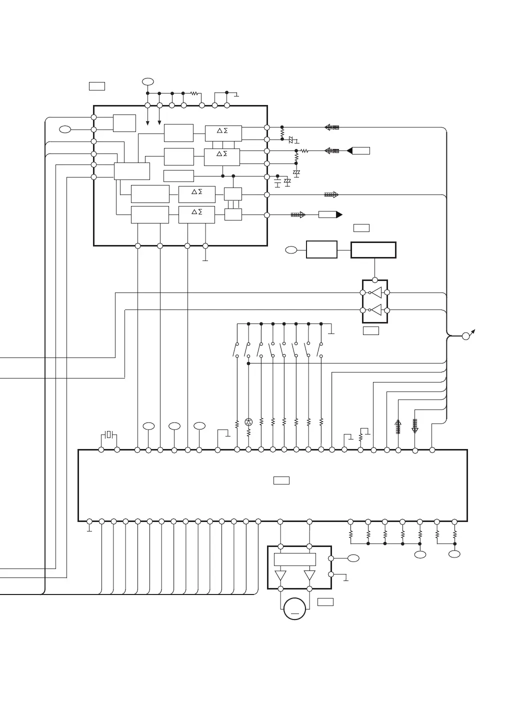
IC92
LB1830MS-TLM
LOADING MOTOR DIRVE
IC6
TC7W04FTE12L
INVERTER
IC4
AK4518VF-E2
AD/DA CONVERTER
IC5
RN5RG33AA-TL
IC10
MN101003DAA3
SYSTEM CONTROL

Related product manuals