EasyManua.ls Logo

Panasonic SA-PM65MD - Page 29

Panasonic SA-PM65MD
144 pages
Print Icon
To Next Page IconTo Next Page
To Next Page IconTo Next Page
To Previous Page IconTo Previous Page
To Previous Page IconTo Previous Page
Loading...
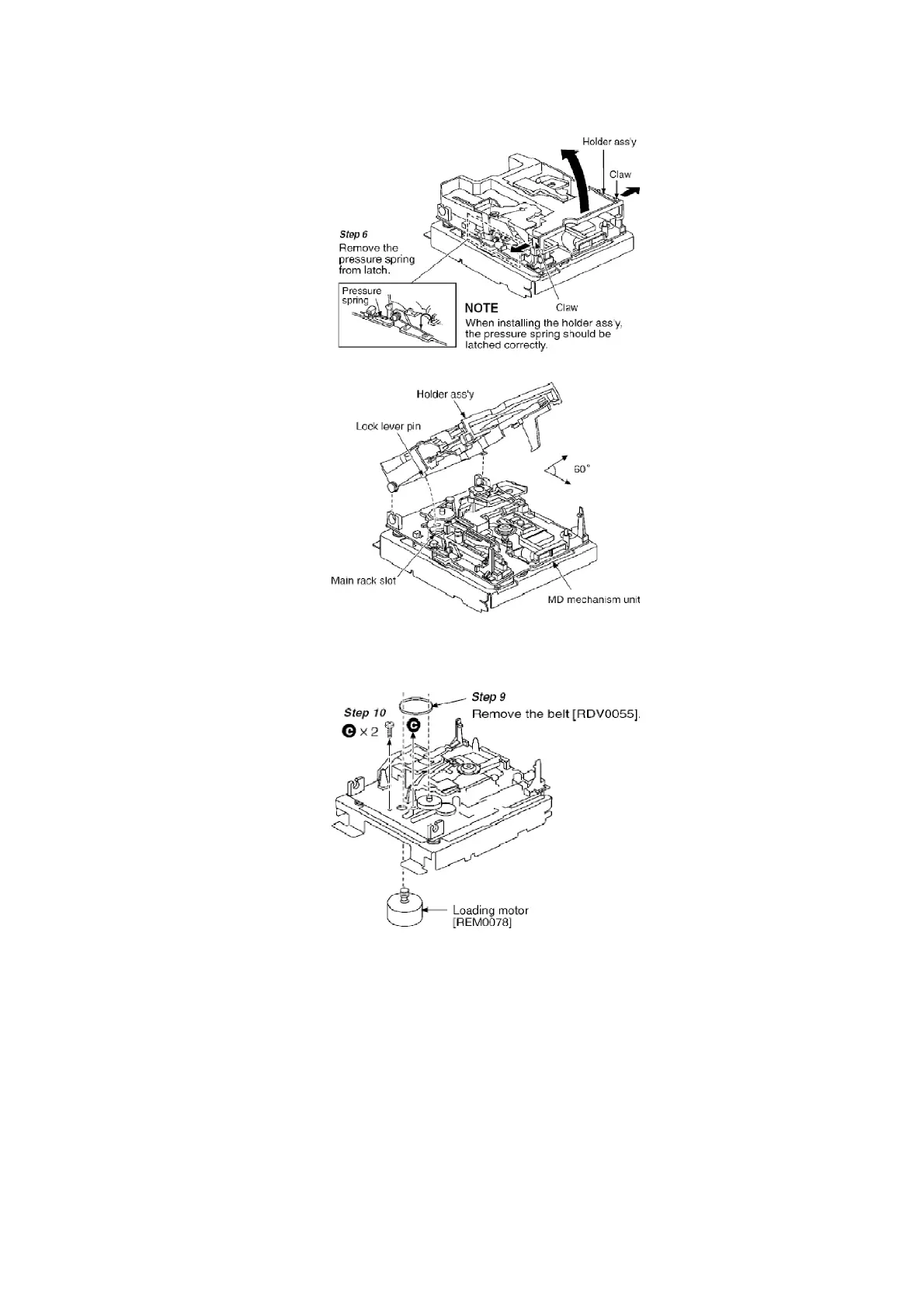
Step 7 Release the 2 claws and then lift up the holder ass’y.
Note : When installing the holder ass’y, align the lock lever pin with the main rack slot.
Step 8 Set the holder ass’y and MD mechanism unit at a 60 degree angle, and then pull out the
holder ass’y.
Notice for installing the loading motor
29

Related product manuals