EasyManua.ls Logo

Panasonic SA-PM65MD - Page 28

Panasonic SA-PM65MD
144 pages
Print Icon
To Next Page IconTo Next Page
To Next Page IconTo Next Page
To Previous Page IconTo Previous Page
To Previous Page IconTo Previous Page
Loading...
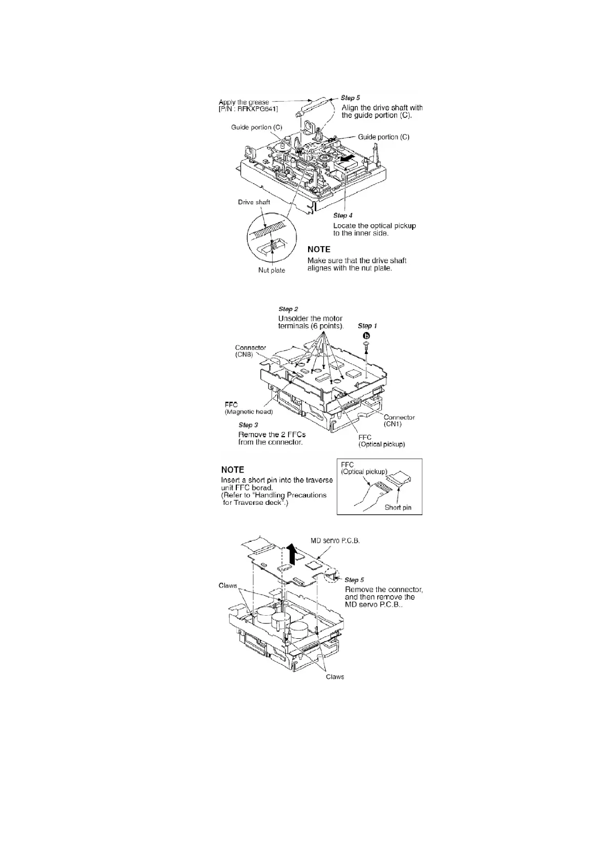
8.3.3. Replacement for the Belt and Loading Motor Assembly
Step 4 Release the 4 claws.
28

Related product manuals