EasyManua.ls Logo

Panasonic TH-C42HD18 - Recommended AV Connections

Panasonic TH-C42HD18
98 pages
Print Icon
To Next Page IconTo Next Page
To Next Page IconTo Next Page
To Previous Page IconTo Previous Page
To Previous Page IconTo Previous Page
Loading...
37
Advanced
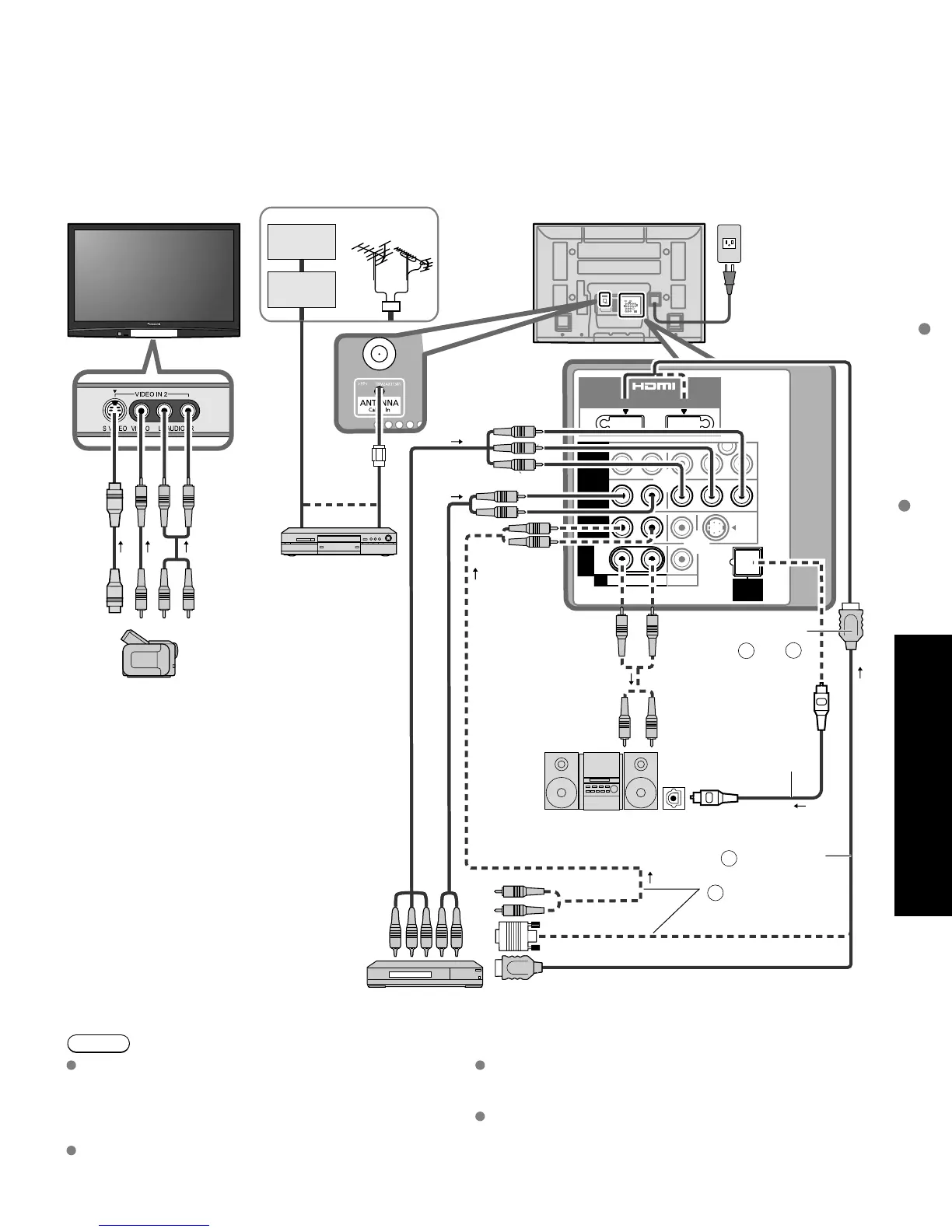
Recommended AV Connections
Using Timer
TO
AUDIO
AMP
COMPONENT
IN
VIDEO
IN
1
2
AUDIO
PROG
OUT
R
P
R
P
B
Y
P
R
P
B
Y
R
R
L
L
L
R
L
HDMI 1
AV IN
HDMI 2
AUDIO VIDEO
S VIDEO
DIGITAL
AUDIO OUT
COMPONENT
IN
VIDEO
IN
Recommended AV Connections
These diagrams show our recommendations on how to connect the TV unit to your various equipment.
For other connections, consult the instructions for each piece of equipment and its specifications.
For additional assistance, please visit our website at: www.panasonic.com
www.panasonic.ca
Note
The picture and audio input signals connected to a
terminal specified in “Monitor out” (p. 35) cannot be
output from “PROG OUT” terminals.
However, audio output can be obtained from “DIGITAL
AUDIO OUT” terminal.
To prevent howling and image oscillation, set the
“Monitor out” setting when connecting the VCR with
loop-connection. (p. 24, 35)
When equipment (STB, DVD, etc.) is connected to
HDMI or COMPONENT terminals, no video signals can
be passed through PROG OUT terminal.
When receiving digital channel signals, all digital
formats are down-converted to composite NTSC video
to be output through the PROG OUT terminals.
* Please see p. 22-23 for setup when using an external
analog audio cable with an HDMI to DVI cable.
AC 120 V
60 Hz
AC Cord
(Connect after
all the other
connections are
complete.)
Back of the TV
Cable Box
Cable TV
or
To watch DVDs
DVD Player/Set Top Box
Optical digital
audio cable
DVD Recorder /
VCR
To listen to the
TV through
speakers
Amplifier
OPTICAL IN
or
or
or
A
HDMI cable
Front of the TV
Connect with
A
or
B
B
HDMI-DVI
Conversion cable
+ Audio cable*
To watch camcorder
images
Camcorder
VCR
DVD Player
or

Other manuals for Panasonic TH-C42HD18

Related product manuals