EasyManua.ls Logo

Panasonic TH-L32C10S - A Board - Sheet: 007 (6; 9)

Panasonic TH-L32C10S
126 pages
To Next Page IconTo Next Page
To Next Page IconTo Next Page
To Previous Page IconTo Previous Page
To Previous Page IconTo Previous Page
Loading...
TH-L32C10S
61
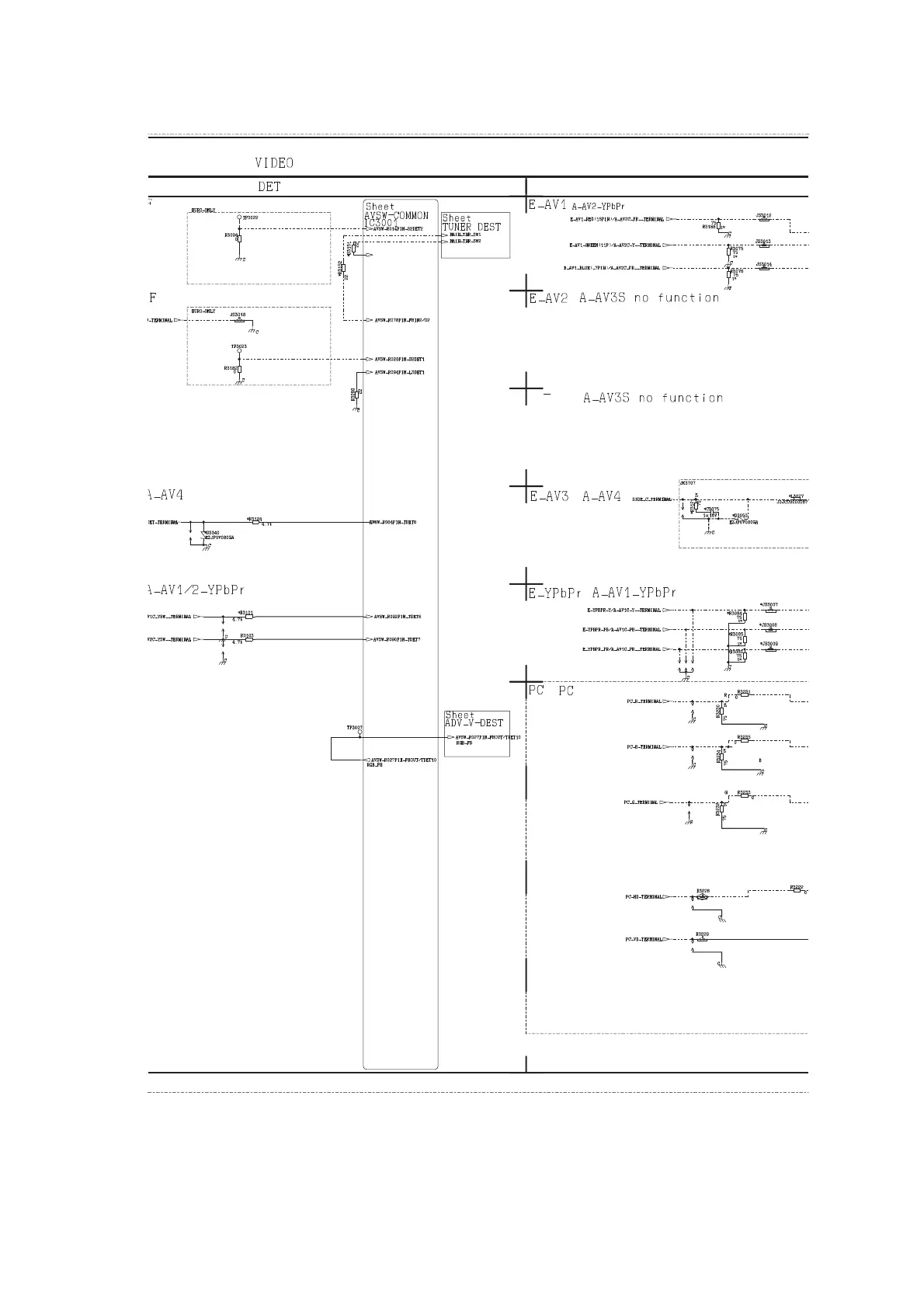
11.2.32. A Board - Sheet : 007 (6 / 9)
<1F>
<2F>
<3F>
<4F>
<5F>
<6F>
<7F>
<8F>
<1E>
<2E>
<3E>

Table of Contents

Related product manuals