EasyManua.ls Logo

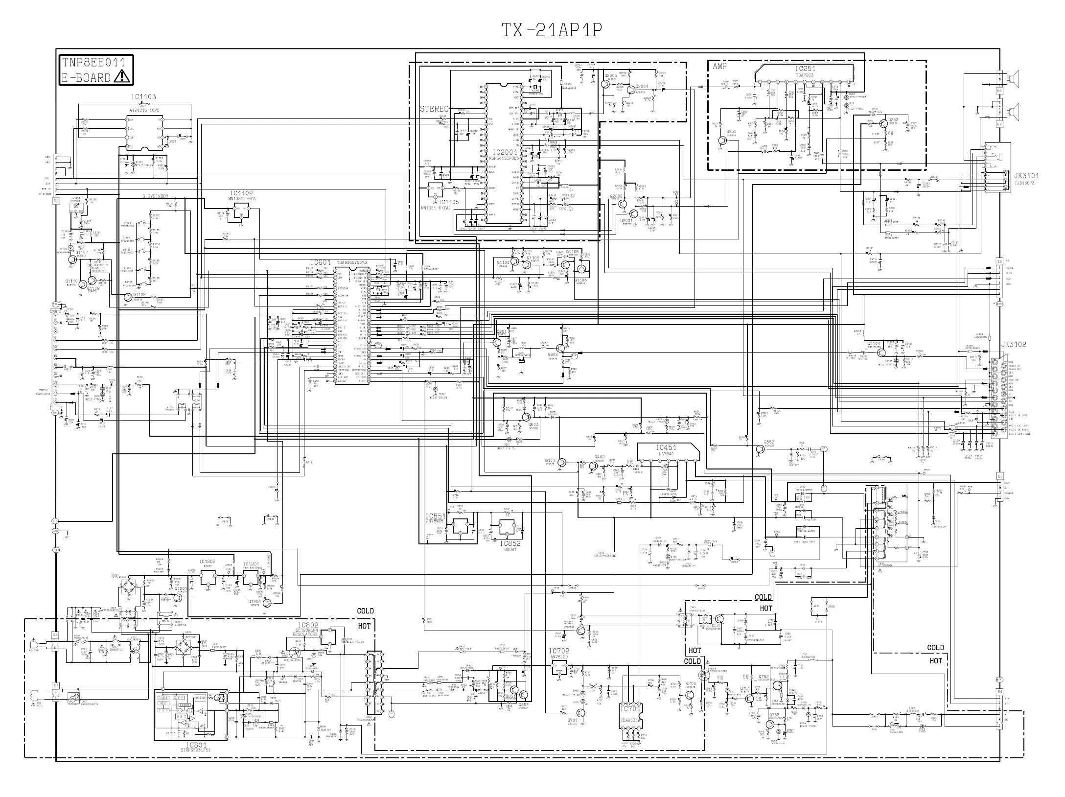
Panasonic TX-21AP1P - E-BOARD SCHEMATIC

Panasonic TX-21AP1P
9 pages
Print Icon
To Previous Page IconTo Previous Page
To Previous Page IconTo Previous Page
Loading...

Other manuals for Panasonic TX-21AP1P

Related product manuals