EasyManua.ls Logo

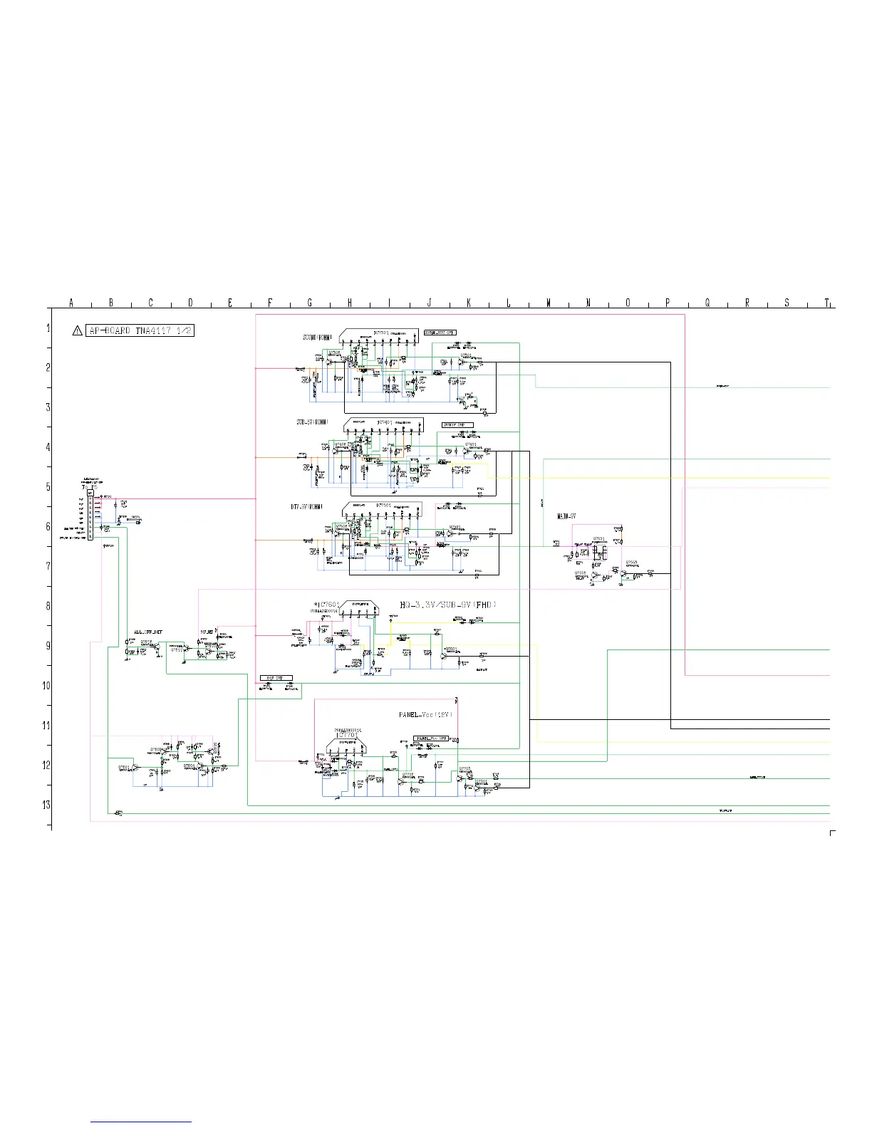
Panasonic TX-32LX70F - AP-BOARD Schematic Diagrams

Panasonic TX-32LX70F
74 pages
Print Icon
To Next Page IconTo Next Page
To Next Page IconTo Next Page
To Previous Page IconTo Previous Page
To Previous Page IconTo Previous Page
Loading...
+
+
+
+
+
+
+
+
+
+
+
0V
0V
5V
0V
9V
0V
0V
0V
0V
0V
SOUND_VCC
0V
0V
PANEL_12V_1
TV_SUB_ON
PANEL_VCC_ON
0V
0V
24V
STB_5V_1
24V_4
24V_4
SUB_9V
VIN_9V VIN_9V
R7559
4.7k
C
R7710
22k
R7714
22k
R7557
4.7k
R7210
1k
1%
R7402
6.2k
1%
R7705
8.66k
C7703
16V
680u
C7409
0.1u
50V
D7403
B0HCMM000014
R7508
100
R7235
47k
R7303
47k
*D7604
MAZ80560LL
C7705
50V
0.01u
R7502
8.2k
L7551
10u
C7308
0.1u
50V
C7513
0.1u
50V
R7408
47k
TP7102
AP5
B9B-EH-F1(LF)(SN)
K1KA09AA0190
1
2
3
4
5
6
7
8
9
JS7301
R7204
47k
R7306
1k
R7230
47k
1%
R7301
910
Q7702
2SD0601ASL
R7203
47k
*D7601
B0JCPG000005
Q7552
2SC584500L
D7705
MA2J11100L
C7204
10V
1u
Q7211
2SD0601ASL
D7101
MAZ82700ML
L7402
100u
R7228
47k
Q7204
2SD0601ASL
R7407
100
R7305
36k
D7306
MAZ82000ML
C7210
50V
0.1u
R7307
100
D7501
B0JCPG000005
C7313
0.1u
50V
SOUND
C0DAAZH00026
IC7501
BD9281-V3
1
SS
2
RT
3
FB
4
INV
5
SW
6
GND
7
VIN
8
PVIN
9
EN
10
SUB-GND
C7505
50V
0.022u
C7301
50V
0.01u
*C7606
0.1u
50V
R7510
47k
R7552
2.2k
JS7401
D7303
B0HCMM000014
C
R7712
47k
C7312
0.01u
50V
R7403
47k
C7503
50V
0.01u
C
Q7703
2SD0601ASL
R7405
82k
C7309
0.1u
50V
D7405
MAZ80750ML
*C7608
0.1u
50V
R7232
10k
Q7553
2SC584500L
D7704
MAZ81800ML
C
Q7551
B1DHDD000033
C7101
50V
0.1u
C7304
16V
1000u
F2A1C102A530
C7706
0.1u
50V
D7406
MA2J11100L
R7309
10k
D7505
MAZ81100ML
R7231
47k
*R7606
10k
R7555
10k
C
C
Q7212
2SD0601ASL
R7506
36k
R7202
10k
R7406
1k
C
R7313
10k
R7509
10k
C7551
50V
10u
*L7603
EXCELDR25V
R7229
10k
R7701
47k
R7207
4.7k
TP7502
L7304
EXCELDR25V
C7303
50V
0.01u
C7306
2200p
50V
R7507
1k
C7506
2200p
50V
Q7701
2SD0601ASL
C7412
4700p
50V
*C7605
50V
0.01u
C
R7311
0
2
R7511
10k
*C7602
50V
220u
F2A1H221A253
C7211
50V
0.1u
*Q7601
2SD0601ASL
C7510
0.1u
50V
C7403
50V
0.01u
Q7202
2SB0709ASL
*D7605
MA2J11100L
Q7210
2SD0601ASL
C7410
0.1u
50V
R7310
0
2
C
C
Q7201
2SD0601ASL
R7312
47k
C7302
50V
220u
F2A1H221A253
*R7605
47k
1%
R7505
91k
JS7702
*JS7601
5
*L7602
100u
C7501
50V
0.01u
TP7702
*TP7602
C7511
50V
0.01u
TP7701
D7703
B0HCMM000014
TP7103
R7201
1k
R7706
1k
C7307
0.1u
50V
C7502
50V
220u
F2A1H221A253
1%
R7302
13k
1%
R7304
160k
*R7607
1k
C7305
50V
0.01u
JS7501
L7403
EXCELDR25V
C7702
50V
220u
F2A1H221A253
C7310
0.1u
50V
Q7402
2SD0601A0L
C7203
10V
1u
Q7203
2SB0709ASL
C0DAAZH00026
IC7401
BD9281-V3
1
SS
2
RT
3
FB
4
INV
5
SW
6
GND
7
VIN
8
PVIN
9
EN
10
SUB-GND
*TP7601
R7551
22k
*C7603
16V
1000u
F2A1C102A530
R7409
10k
TP7101
C7507
0.1u
50V
R7206
4.7k
TP7302
C0DAAZG00014
*IC7601
PQ1CG41H2RZH
1
Vin
2
Vout
3
COM
4
Oadj
5
ON/OFF
C7413
0.1u
50V
TP7402
D7401
B0JCPG000005
R7501
1k
R7209
4.7k
C7402
50V
220u
F2A1H221A253
L7502
47u
C0DAAZH00025
IC7301
BD9280-V3
1
SS
2
RT
3
FB
4
INV
5
SW
6
GND
7
VIN
8
PVIN
9
EN
10
SUB-GND
R7308
47k
*C7601
50V
0.01u
Q7502
2SD0601A0L
D7506
MA2J11100L
*D7602
B0HCMM000014
D7702
B0JCPG000005
L7302
68u
R7554
47k
R7553
47k
C7401
50V
0.01u
C7406
1000p
50V
R7713
4.7k
C7411
50V
0.01u
1%
R7704
1k
1%
*R7603
1.69k
C7504
16V
1000u
D7305
MA2J11100L
*C7607
0.1u
50V
R7208
4.7k
D7301
B0JCPG000005
C7552
50V
0.01u
R7556
10k
C
Q7301
2SD0601A0L
Q7302
2SD0601A0L
C7311
50V
0.01u
R7411
10k
1%
*R7602
1k
D7102
MA2J11100L
R7410
47k
L7702
100u
C7404
16V
1000u
F2A1C102A530
C7405
50V
0.022u
C7508
0.1u
50V
C0DAAZG00014
IC7701
PQ1CG41H2RZH
1
Vin
2
Vout
3
COM
4
Oadj
5
ON/OFF
D7205
MAZ81800ML
R7504
47k
C7201
10V
1u
C7407
0.1u
50V
L7504
EXCELDR25V
R7205
10k
C7509
0.1u
50V
D7503
B0HCMM000014
R7707
470
1/2W
R7711
4.7k
C7408
0.1u
50V
C
R7503
47k
Q7401
2SD0601A0L
R7702
22k
JS7701
5
R7709
12k
R7401
1.5k
C7701
50V
0.01u
C7202
10V
1u
ZA7001
K9ZZ00000424
1%
R7404
56k
C7102
50V
0.1u
Q7501
2SD0601A0L
C7512
0.01u
50V
SUB_9V
PANEL_Vcc OVP
PANEL_Vcc(12V)
24V_DET
MAIN ACT
To P5
HQ_3.3V/SUB_9V(FHD)
24V OVP
SOUND_VCC OVP
SUB_5V(ROHM)
SUB5V OVP
SOUND(ROHM)
DTV_9V(ROHM)
GND
GND
24V
GND
SUB_ON Hi ON/Lo OFF
24V
ALL OFF (SW DET)
24V
STB_5V
ALL_OFF_DET
MAIN_9V
AP-BOARD TNA4117 1/2
<
<
<
<
<
<
A B C D E F G H I J K L M N O P Q R S T
1
2
3
4
5
6
7
8
9
10
11
12
13
44

Related product manuals