EasyManua.ls Logo

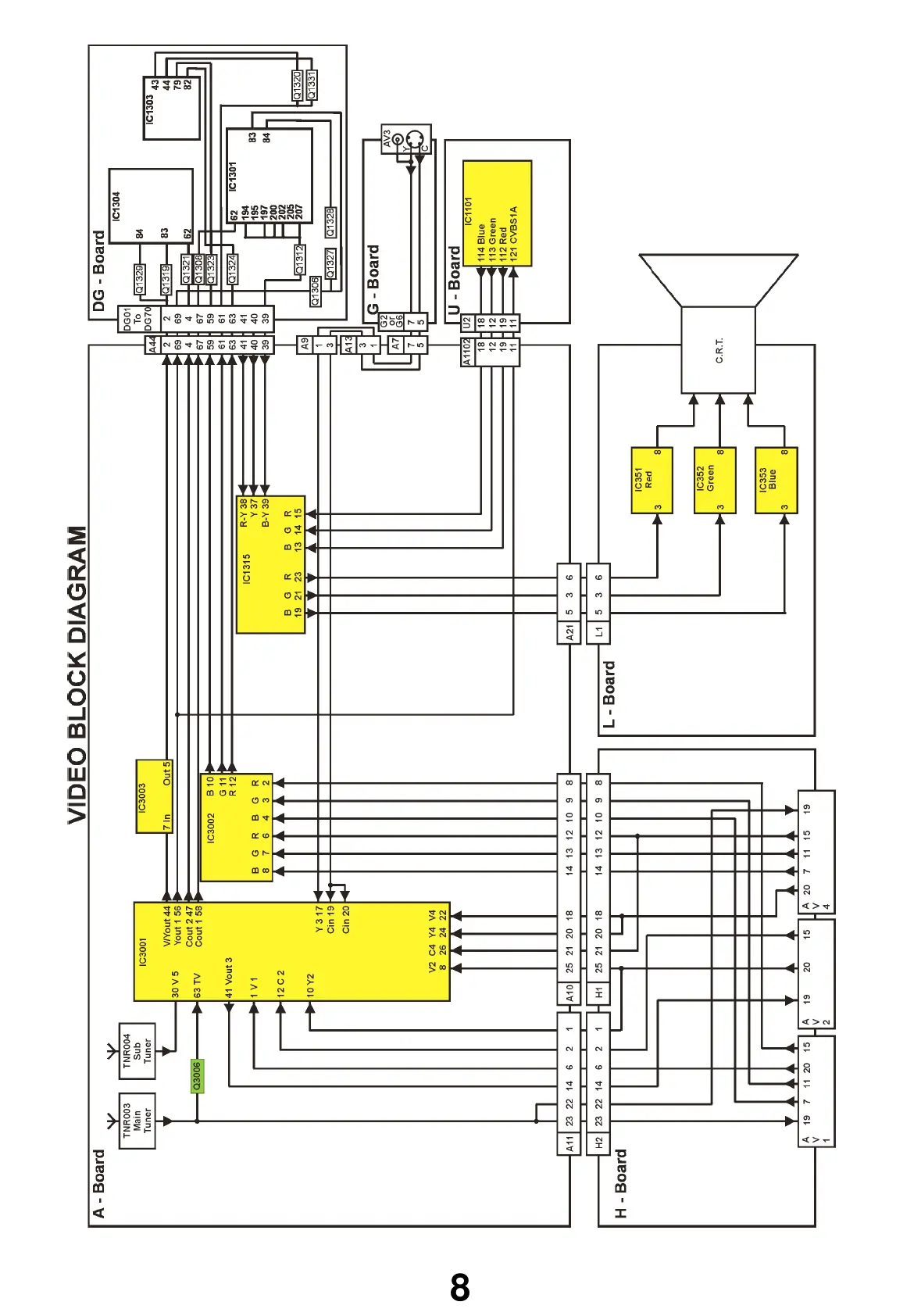
Panasonic TX-36PB50D - SYSTEM BLOCK DIAGRAMS; Signal Flow and Connectivity

Panasonic TX-36PB50D
65 pages
Print Icon
To Next Page IconTo Next Page
To Next Page IconTo Next Page
To Previous Page IconTo Previous Page
To Previous Page IconTo Previous Page
Loading...
8
All manuals and user guides at all-guides.com

Related product manuals