EasyManua.ls Logo

Panasonic TX-36PG50D - Page 38

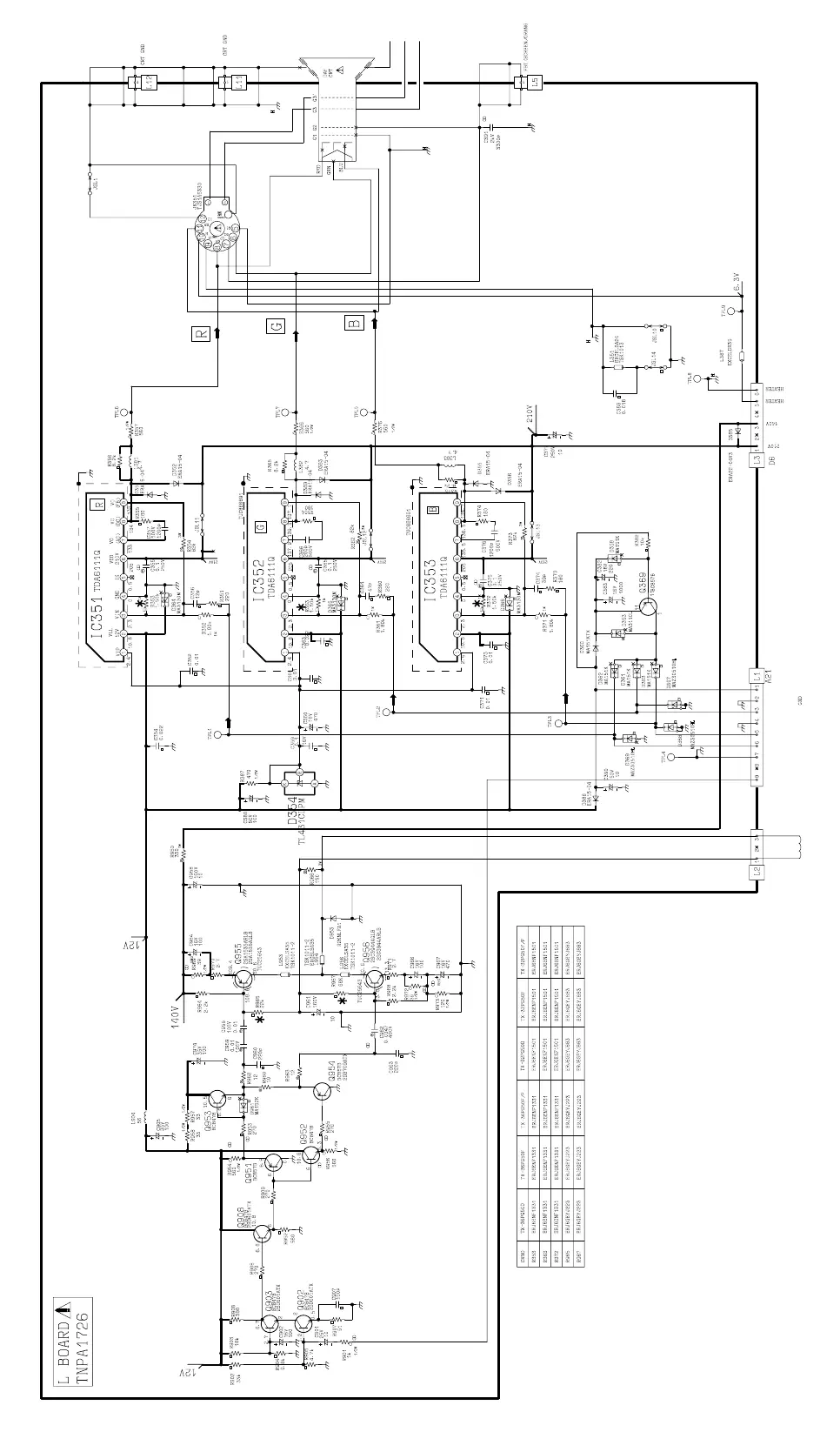
Panasonic TX-36PG50D
58 pages
Print Icon
To Next Page IconTo Next Page
To Next Page IconTo Next Page
To Previous Page IconTo Previous Page
To Previous Page IconTo Previous Page
Loading...

Related product manuals