EasyManua.ls Logo

Panasonic TX-50DX802B - Page 92

Panasonic TX-50DX802B
107 pages
Print Icon
To Next Page IconTo Next Page
To Next Page IconTo Next Page
To Previous Page IconTo Previous Page
To Previous Page IconTo Previous Page
Loading...
Thermal
Pad
GUARDGUARD
GUARD_CLK GUARD_CLK
GUARD
*C6879
50V
2200p
*C6800
50V
2p
*C6847
16V
0.1u
*C6811
16V
0.1u
*C6843
10u
10V
*C6826
16V
0.1u
*C6849
16V
0.1u
*C6807
16V
0.1u
*C6839
10u
10V
*C6823
16V
0.1u
*C6803
0.1u
16V
*C6822
16V
0.1u
*C6825
16V
0.1u
*C6836
10u
10V
*C6801
50V
3p
C1AB00004164
*IC6800
1
GPIO0
2
GPIO2
3
TSSYNC
4
TSVALID
5
TSCLK
6
VSS
7
DVDD
8
TSDATA0
9
TSDATA1
10
CVDD
11
VSS
12
TSDATA2
13
TSDATA3
14
TSDATA4
15
TSDATA5
16
TSDATA6
17
TSDATA7
18
VSS
19
DVDD
20
SCL
21
SDA
22
CVDD
23
DSQOUT
24
DSQIN
25
SLVADR0
26
SAGC
27
VSS
28
CVDD
29
RST_X
30
SLVADR3
31
SIAIN
32
SQAIN
33
XVDD
34
XTALO
35
XTALI
36
XVSS
37
TAINP
38
TAINM
39
AVSS
40
TESTMODE
41
RFAIN
42
AVDD
43
VSS
44
CVDD
45
TTUSDA
46
TTUSCL
47
GPIO1
48
TIFAGC
AVSS
*L6801
J0JYC0000464
*L6804
J0JYC0000464
C
C
C
C
C
C
C
C
C
C
C
C
C
C
C
FE_3.3V
DMD1.2/1.1V2
SUB3.3V
TD6801
TD6813
TD6802
TD6800
TD6803
EXT_FE0_N
EXT_IQ_I0
FE_XRST_T
EXT_IQ_Q0
EXT_FE0_P
M_DEMOD_TSVAL
EXT_AGCBS0
T2_FEF0
M_DEMOD_TSSYNC
M_DEMOD_TSCLK
EU_1ST_SCL
CRYSTAL_SHARE
DSQOUT_0
EXT_AGCI0
M_DEMOD_TSDATA0
EU_1ST_SDA
DEMOD_1_SCL
DEMOD_1_SDA
*R6902
D1H83304A042
*R6837
0
*R6869
0
*R6867
0
*R6881
0
*R6848
0
*R6806
10k
*R6822
3.3k
*R6854
10k
*R6903
22
*R6904
22
*R6905
22
*R6906
22
*R6815
0
*R6804
470
*R6878
3.3k
*R6809
0
*R6817
0
*R6879
3.3k
*X6800
H0J410500003
41MHz
C
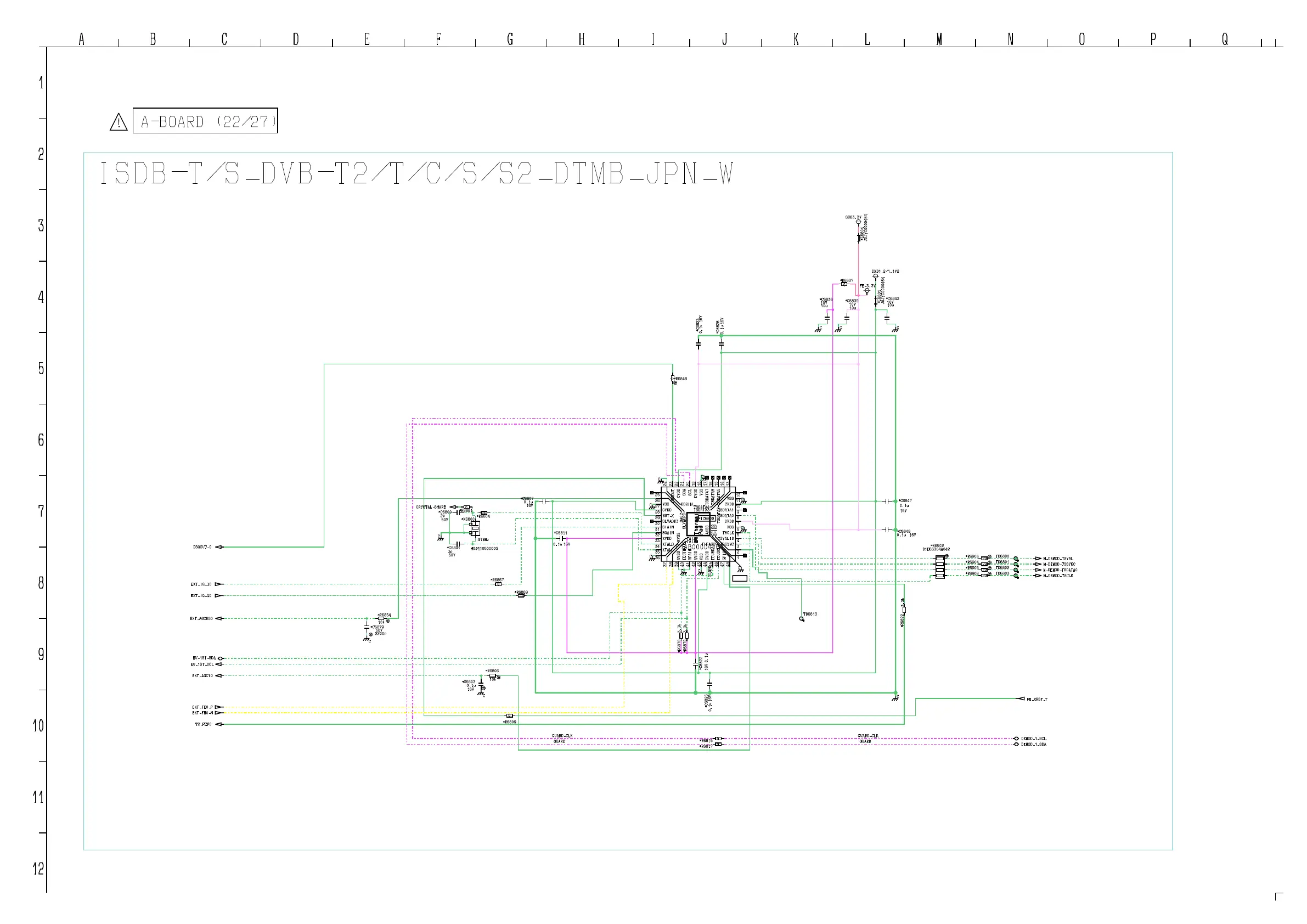
ISDB-T/S_DVB-T2/T/C/S/S2_DTMB_JPN_W
A-BOARD (22/27)
!
1
1
1
1
1
1
1
1
1
1
A B C D E F G H I J K L M N O P Q
1
2
3
4
5
6
7
8
9
10
11
12
92