EasyManua.ls Logo

Panasonic TX-L42E30E - Page 59

Panasonic TX-L42E30E
67 pages
Print Icon
To Next Page IconTo Next Page
To Next Page IconTo Next Page
To Previous Page IconTo Previous Page
To Previous Page IconTo Previous Page
Loading...
+
+
+
NS24-1
NS24-2
NS16-1
NS16-2
NP1
NP2
NP3
NP4
PUSH
C7521
0.1u
50V
C7302
1000p
50V
C7320
0.022u
25V
C7321
220p
50V
C7513
4.7u
16V
C7327
0.022u
25V
C7326
0.1u
50V
C7323
0.1u
50V
C7325
1u
25V
C7514
1u
25V
C7324
220p
50V
C7516
0.1u
50V
C7328
1u
25V
C7604
1u
25V
C7606
10u
25V
C7607
0.022u
25V
C7608
2200p
50V
C7600
10u
25V
C7610
4700p
50V
C7611
1u
25V
C7314
0.027u
800V
F0C2K273A046
* *
C7601
10u
25V
C7602
0.22u
25V
*C7523
1u
25V
*C7502
1800u
25V
F2A1E1820025
*C7501
1800u
35V
F2A1V1820031
C7322
470u
35V
F2A1V4710023
35YXG471MT12516
D7600
B0JCPE000038
D7332
B0HAGQ000001
B0HAKR000004
D7326
DA2J10100L
D7508
DA2J10100L
D7333
B0JAME000058
B0JAME000126
D7327
DA2J10100L
D7342
DA2J10100L
D7343
DA2J10100L
D7328
DA2J10100L
D7330
B0ACDJ000014
D7329
B0ACDJ000014
D7501
B0JBSL000047
*
*
*
D7334
B0ADCJ000100
D7502
B0JBSL000047
*
*
*
D7507
B0ADCJ000100
D7335
DZ2J180M0L
D7339
B0BC02500002
RLZTE-1127B
D7338
B0BC02500002
RLZTE-1127B
D7337
B0BC02500002
RLZTE-1127B
D7336
B0BC03300012
RLZTE-1133B
D7341
B0BC02500002
RLZTE-1127B
D7325
B0BC02500002
RLZTE-1127B
D7331
B0BC4R000002
RLZTE-113.9B
C0DBZMC00006
IC7502
MM1431CURE(R59-A806)
4
REFERENCE
3
CATHODE
1
NC
2
ANODE
C0DBAYY00922
IC7601
LV5990ML-TLM-H
1
SW
2
PDR
3
GND
4
NC
5
C-HICCUP
6
SS
7
COMP
8
FB
9
REF
10
PG
11
EN
12
VIN
C5HAZYY00014
*IC7301
MP2C6120-F238
4
S1
*
6
IS
8
VCC
9
GND
10
VREF
11
FB
12
CS
13
BO
14
VW
16
VH
19
D1_S2
20
G2
23
D2
*
P4
S14B-PASK-2(LF)(SN)
K1KA14BA0311
1
2
3
4
5
6
7
8
9
10
11
12
13
14
P2
104108-1610
K1KY16BA0311
1
2
3
4
5
6
7
8
9
10
11
12
13
14
15
16
L7505
EXCELSA39V
J0JKA0000024
L7503
EXCELSA39V
J0JKA0000024
L7502
EXCELSA39V
J0JKA0000024
L7302
EXCELDR35V
J0JKB0000034
L7504
EXCELSA39V
J0JKA0000024
L7600
G0C270MA0049
T7301
G4DYA0000284
1
2
3
4
6
*
7
*
9
*
10
*
11
12
13
*
14
*
15
16
17
*
C
C
C
C
C
C
C
C
C
C
H1
H1
H1
PC7303
B3PAA0000363
PC7302
B3PAA0000363
PC7301
B3PAA0000363
PA7601
K5H502Y00004
CCP2B100TTE
PA7504
K5H502Y00004
CCP2B100TTE
PA7503
K5H502YA0063
CCP2B100DTTE
TP7506
TP7505
TP7502
TP7504
TP7518
TP7517
TP7501
TP7519
TP7513
TP7302
TP7512
TP7509
TP7503
TP7508
TP7510
TP7516
TP7515
TP7507
TP7511
TP7514
Q7313
B1CBGD000001
Q7504
B1CHRE000005
B1CHRE000008
TPC8116-H(T2LMAT,Q
Q7503
B1CHRE000005
B1CHRE000008
TPC8116-H(T2LMAT,Q
*Q7506
B1CHRE000005
B1CHRE000008
TPC8116-H(T2LMAT,Q
Q7501
B1ABCF000231
Q7310
B1ABCF000231
*Q7507
B1ABCF000231
Q7309
B1ABGF000019
*Q7502
B1ABCF000231
Q7314
B1ABCF000231
Q7311
B1ABCF000231
Q7312
B1ADCE000022
Q7308
2SB1198KFST146Q
Q7301
B1ADCE000022
*JS7402
0
JS7304
15
*JS7502
0
JS7303
15
*JS7404
0
R7502
1k
2.0 x 1.25
R7377
10k
2.0 x 1.25
R7365
10k
2.0 x 1.25
*R7407
0
R7367
1.5k
2.0 x 1.25
R7605
47k
R7361
1M
2.0 x 1.25
1%
*R7409
14.3k
R7395
10k
2.0 x 1.25
R7392
3.9k
2.0 x 1.25
R7394
100
2.0 x 1.25
R7515
18.2k
1%
R7513
3.32k
1%
R7514
10k
R7314
120k
1%
2.0 x 1.25
R7606
68k
R7516
15k
R7358
2.2k
1/2W
R7353
300
R7381 0.22
1W
R7380 0.22
1W
*R7527
15k
*R7529
4.7k
2.0 x 1.25
*R7528
15k
1%
*R7406
1.74k
R7362
820
2.0 x 1.25
*R7530
10k
2.0 x 1.25
R7376
22k
2.0 x 1.25
R7504
10k
2.0 x 1.25
R7302
10k
R7519
15k
R7501
1k
2.0 x 1.25
R7331 300
R7600
47k
R7330
0
2.0 x 1.25
R7355
10
2.0 x 1.25
R7532
10k
R7531
10k
R7364
10k
2.0 x 1.25
R7301
22k
R7333
470k
1/2W
4.5 x 3.2
R7303
47
2.0 x 1.25
R7332
470k
1/2W
4.5 x 3.2
R7360 1
1W
R7517
15k
R7518
15k
R7359
100k
2.0 x 1.25
*R7535
47k
2.0 x 1.25
1%
R7604
22.1k
R7601
1M
1%
R7603
78.7k
1%
*R7408
7.15k
R7357
100k
2.0 x 1.25
R7356
300
2.0 x 1.25
1%
*R7402
6.65k
R7524
47k
2.0 x 1.25
R7354
11k
2.0 x 1.25
R7503
4.7k
2.0 x 1.25
R7505
2.2k
2.0 x 1.25
*SW7406
EVQ11G05R
*SW7402
EVQ11G05R
*SW7407
EVQ11G05R
*SW7403
EVQ11G05R
*SW7404
EVQ11G05R
*SW7401
K0F122A00203
H1
D7313
DZ2J068M0L
=
S
S
S
S
<
<
<
Vref = 0.50V
BL_SOS
GND
USA RELAY
TV_SUB_ON
GND
KEY1
GND
GND
16V
USA 5VS
USA KEY3
BL_ON
16V
PWM
16V
HOT
COLD
TUNER6V
/ ASIA NC
BL_ON
PWM
BL_SOS
GND
GND
GND
GND
GND
24V
24V
24V
24V
24V
24V
16V
I
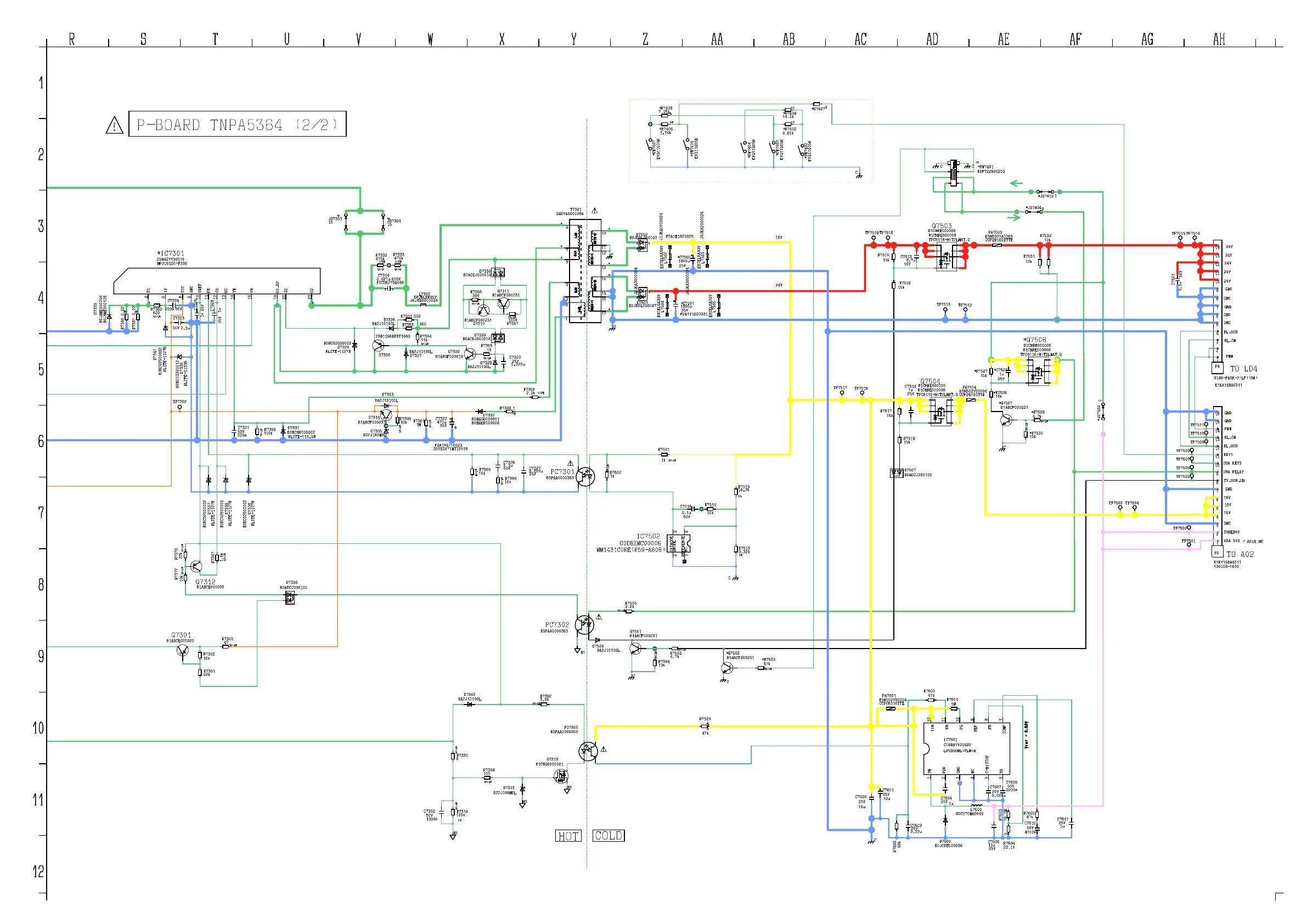
P-BOARD TNPA5364 (2/2)
TO A02
TO LD4
R S T U V W X Y Z AA AB AC AD AE AF AG AH
1
2
3
4
5
6
7
8
9
10
11
12
59

Related product manuals