EasyManua.ls Logo

Panasonic TX-PR50VT50 - Block (3;4) Diagram

Panasonic TX-PR50VT50
119 pages
Print Icon
To Next Page IconTo Next Page
To Next Page IconTo Next Page
To Previous Page IconTo Previous Page
To Previous Page IconTo Previous Page
Loading...
42
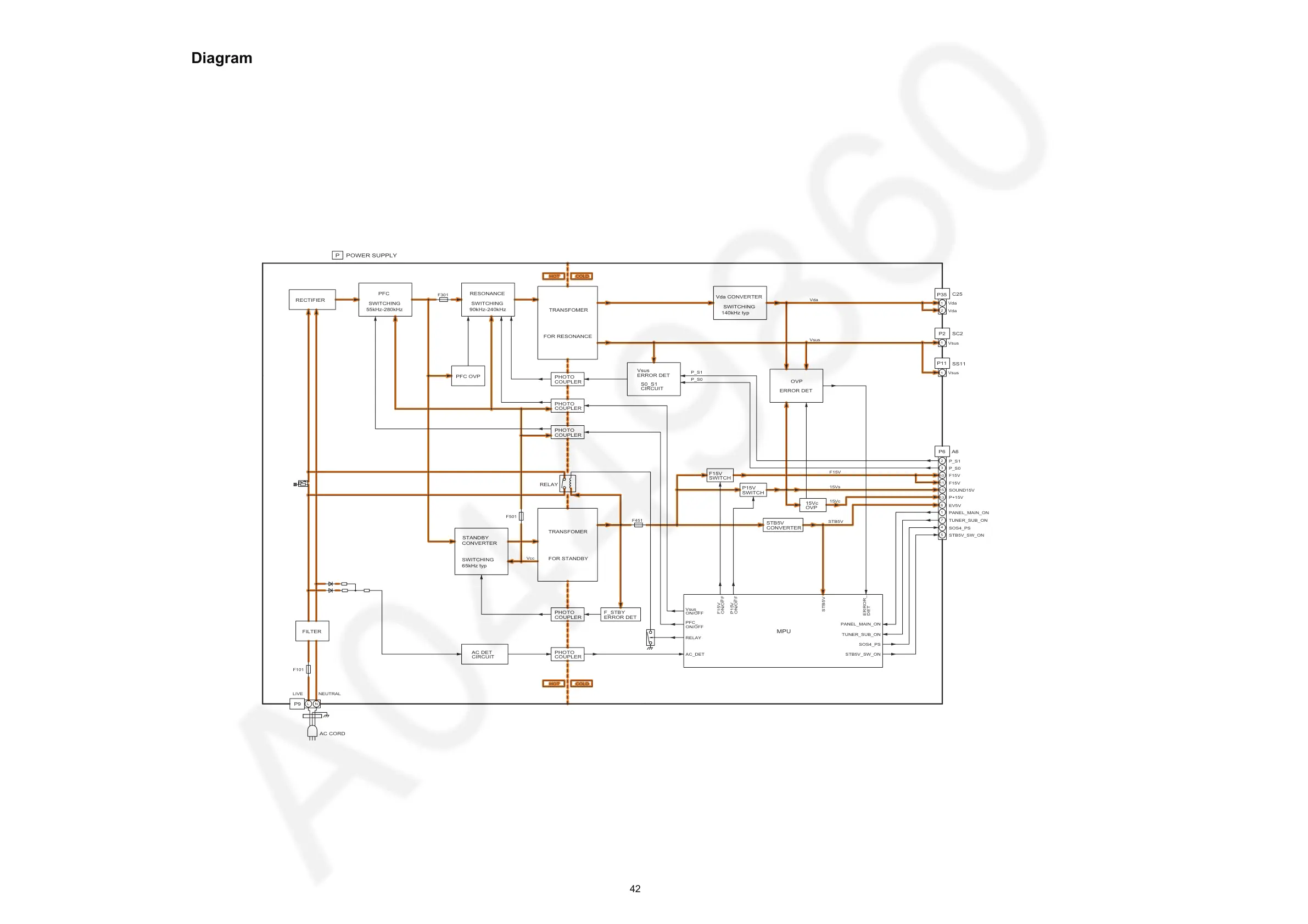
11.4. Block (3/4) Diagram
HOT COLD
COLDHOT
F101
F301
F501
F451
AC CORD
C25
P11
LIVE
L
Vsus
P2
Vda
Vsus
POWER SUPPLY
RECTIFIER
P
1
SS11
2
1
1
N
Vda
P35
SC2
NEUTRAL
P9
PHOTO
COUPLER
PFC
SWITCHING
55kHz-280kHz
P_S1
A6
PANEL_MAIN_ON
5
15
11
F15V
TUNER_SUB_ON
4
P+15V
EV5V
P_S0
7
P6
10
SOUND15V
3
2
F15V
1
SOS4_PS
6
STB5V_SW_ON
13
AC DET
CIRCUIT
TRANSFOMER
FOR RESONANCE
Vda CONVERTER
SWITCHING
140kHz typ
Vda
Vsus
PHOTO
COUPLER
SWITCHING
90kHz-240kHz
RESONANCE
PFC OVP
Vsus
ERROR DET
S0_S1
CIRCUIT
PHOTO
COUPLER
PHOTO
COUPLER
TRANSFOMER
FOR STANDBY
STANDBY
CONVERTER
SWITCHING
65kHz typ
Vcc
AC_DET
F_STBY
ERROR DET
PHOTO
COUPLER
RELAY
RELAY
P15V_
ON/OFF
F15V_
ON/OFF
P15V
SWITCH
F15V
SWITCH
15Vc
15Vc
OVP
Vsus_
ON/OFF
PFC_
ON/OFF
STB5V
CONVERTER
ERROR DET
OVP
P_S1
P_S0
STB5V_SW_ON
PANEL_MAIN_ON
TUNER_SUB_ON
SOS4_PS
F15V
15Vs
STB5V
STB5V
ERROR_
DET
MPU
FILTER
HOT COLD
COLDHOT

Related product manuals