EasyManua.ls Logo

Panasonic TX-PR50VT50 - Page 69

Panasonic TX-PR50VT50
119 pages
Print Icon
To Next Page IconTo Next Page
To Next Page IconTo Next Page
To Previous Page IconTo Previous Page
To Previous Page IconTo Previous Page
Loading...
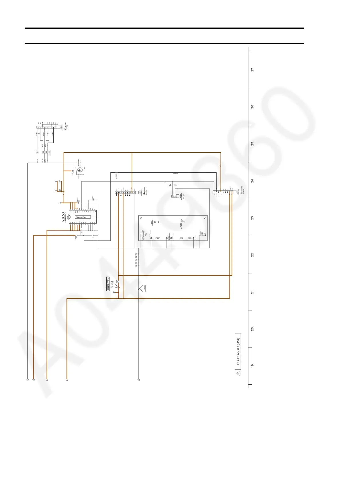
Model No. : TX-P50VT50B/Y,PR50VT50 SC-Board (3/3)
S-23

Related product manuals