EasyManua.ls Logo

Panasonic WH-SXC12F6E5

Panasonic WH-SXC12F6E5
22 pages
To Next Page IconTo Next Page
To Next Page IconTo Next Page
To Previous Page IconTo Previous Page
To Previous Page IconTo Previous Page
Loading...
29
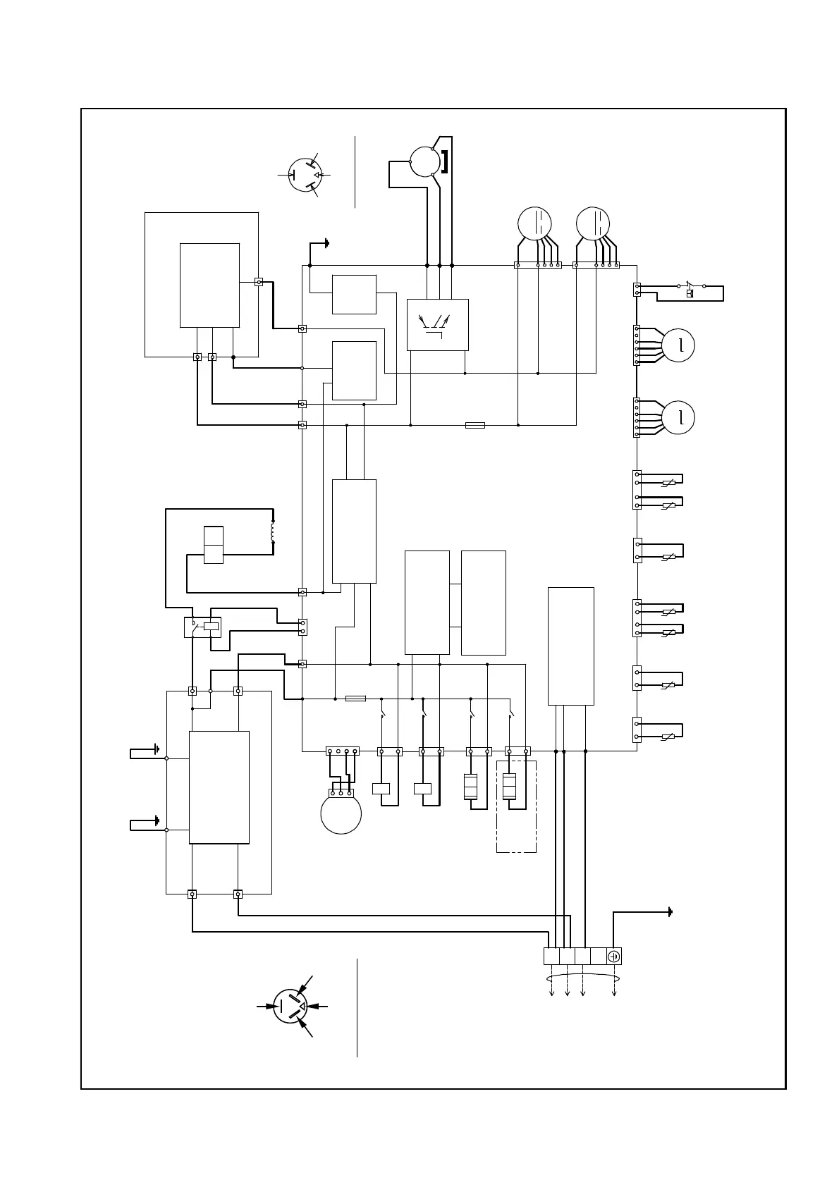
8.2 Outdoor Unit
NOISE FILTER
(GRAY)
3
CN-V1
MAGNETIC COIL
(4-WAY VALVE)
3
CN-TH3
BL
CAPACITOR
3
1
W
AC-BLK02
BL
W
ELECTRONIC CONTROLLER (MAIN)
1
BASE PAN
HEATER
Y/G
3
FUSE2
CRANKCASE
NOISE
(YELLOW)
HIGH PRESSURE
SENSOR
COMP. TEMP. SENSOR
(THERMISTOR)
INDOOR
2
CN-TANK
(THERMISTOR)
1
(WHITE)
OUTDOOR AIR TEMP. SENSOR
(THERMISTOR)
3
(BLACK)
31 12
DISCHARGE TEMP. SENSOR
T3.15A L250V
YELLOW
1
COMPRESSOR
BYPASS EXIT TEMP. SENSOR
1
OUTDOOR PIPE TEMP. SENSOR
(THERMISTOR)
4
M
EVA EXIT TEMP. SENSOR
(WHITE)
(THERMISTOR)
CN-DIS
4
CN-TH1
(BLUE)
1
(WHITE)
CN-TH2
(BLACK)
G
1
(WHITE)
UPPER FAN MOTOR
M
W (YELLOW)
(YELLOW)
1
M
(THERMISTOR)
(BLUE)
ELECTRO MAGNETIC COIL
GR
3
(BYPASS EXPANSION VALVE)
R
( MAIN EXPANSION VALVE)
ELECTRO MAGNETIC COIL
R
COM3
(RED)
R
1
AC-WHT02
1
T3.15A L250V
(WHITE)
COMMUNICATION
RY-HT2
6
AC-L
CIRCUIT
CN-HT2
RY-HT1
CN-HOT
M
1
CN-HT1
(RED)
1
BL
4
CN-HPS
RECTIFICATION
FILTER
W
G
CN-WHT
(WHITE)
(RED)
DCP
CN-EV
6
2
CN-RY1
SWITCHING POWER
SUPPLY CIRCUIT
RECTIFICATION
CIRCUIT
PFC
CIRCUIT
DCN-IN
CIRCUIT
AC-C
(BLUE)
DCN
(BLACK)
2
DCN2
(BLACK)
FUSE1
1
CN-FM2
(WHITE)
1
4
7
7
4
2
CN-FM1
CN-PSW1
CN-EV2
LOWER FAN MOTOR
(BLACK)
V
U
U (RED)
P
N
V (BLUE)
(RED)
TO
(BLUE)
(BLACK)
3~
(2-WAY VALVE)
FG1
(GREEN)
G
MS
R
1
DCP-IN
(WHITE)
BL
(CAPACITOR)
ELECTRONIC CONTROLLER
AC-C
(BLACK)
B
1
CN-ACL
RY-V1
AC-BLK01
(OPTIONAL)
4
REACTOR
W
GR
W
RELAY
A
6
W
RY-HOT
FG2 (GREEN)
BL
BL
BL
DCN-OUT
ELECTRONIC CONTROLLER (SUB)
CN-ACN
(BLACK)
FG1 (GREEN)
(WHITE)
(BLACK)
AC-BLK
CN-BLK
(BLACK)
(WHITE)
(BLUE)
CN-WHT
CIRCUIT
MAGNETIC COIL
W
R
B
BR
2
1
Y
(WHITE)
HEATER
(TRADEMARK)
ELECTRO
UNIT
CIRCUIT
DEREULB
(BLACK)
(WHITE)
CIRCUIT
R
ELECTRO
5
DEFROST TEMP. SENSOR
(THERMISTOR)
TERMINAL
BOARD
TERMINAL
BOARD
COMPRESSOR TERMINAL
HIGH PRESSURE SWITCH
REMARKS:
W : WHITE R : RED
B : BLUE P : PINK
BL : BLACK Y : YELLOW
BR : BROWN O : ORANGE
G : GREEN GR : GRAY
Y/G : YELLOW/GREEN
RED
(TRADE MARK)
BLUE
YELLOW
COMPRESSOR TERMINAL

Related product manuals