EasyManua.ls Logo

Paragon EL72 - Application Examples

Paragon EL72
60 pages
Print Icon
To Next Page IconTo Next Page
To Next Page IconTo Next Page
To Previous Page IconTo Previous Page
To Previous Page IconTo Previous Page
Loading...
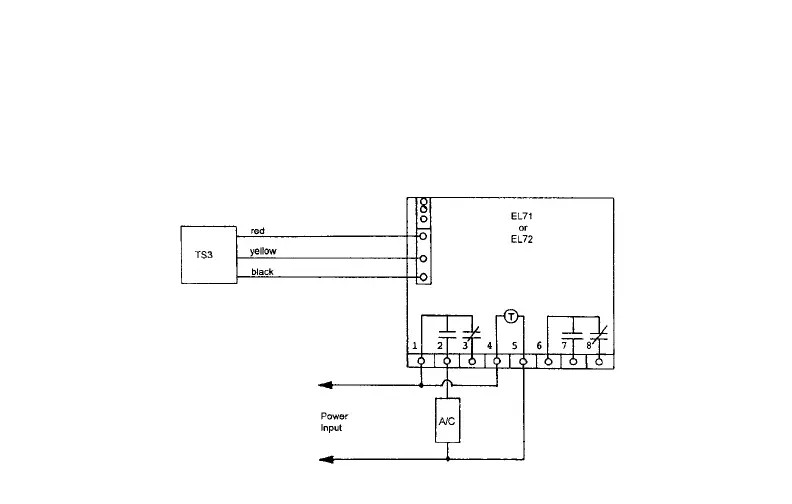
Application Examples
Example No. 1:
Objective: To control an air conditioner to operate at 73˚ F from 8:00 AM to 12:00 PM and to operate
at 77˚ F from 12:00 PM to 5:00 PM on Monday through Friday. On nights and weekends the air con-
ditioner will be off. The air conditioner will also be off from October 1st to April 30th. Temperature
setpoints are to have a +/- 1˚ F deadband.
Wiring Diagram:
36

Related product manuals