EasyManua.ls Logo

Parker 404 - Dimensional Drawings

Parker 404
47 pages
Print Icon
To Next Page IconTo Next Page
To Next Page IconTo Next Page
To Previous Page IconTo Previous Page
To Previous Page IconTo Previous Page
Loading...
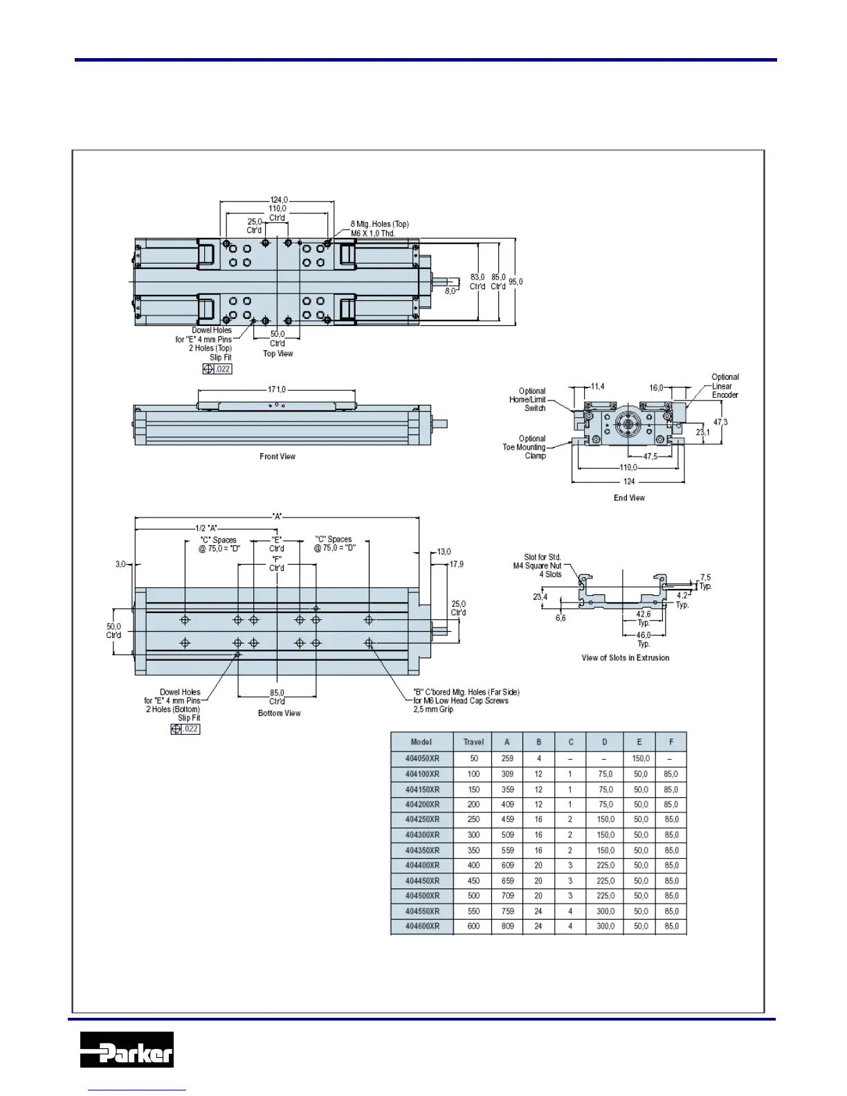
404/406XR Series Product Manual Chapter 3 - Component Specifications
12
Parker Hannifin Corporation
1140 Sandy Hill Road
Irwin, PA 15642
www.parkermotion.com
Dimensional Drawings
404XR
www.comoso.com