EasyManua.ls Logo

Parker D41FE - Characteristics of Valve Driver; Name Plate (Main Stage); Block Diagram of Integral Electronics

Parker D41FE
20 pages
Print Icon
To Next Page IconTo Next Page
To Next Page IconTo Next Page
To Previous Page IconTo Previous Page
To Previous Page IconTo Previous Page
Loading...
Pilot Operated Proportional DC Valve
Series D*1FE
Operation Manual
5
Parker Hannifin Corporation
D_1FE 5715-688 UK CM 18.01.2019
Parker D*1FE proportional directional control valves
have an integral electronics. Different sizes, as well
as command signal options are available to achieve
an optimal adaption for different applications.
Characteristics of Valve Driver
The described integral electronic driver combines
all necessary functions for the optimal operation of
the valve. The most important features are:
high dynamic actuator principle with special
designed electronic driver
closed loop controlled pilot valve and main spool
Ensured fail-safe behaviour
constant current actuator control with overcur-
rent shutoff
excellent properties for response sensitivity and
temperature drift
differential input stage with various command
signal options
diagnostic output for spool stroke/overcurrent
state
standard central connection
compatible to the relevant European EMC-
standards
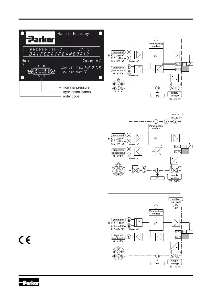
Block Diagram of Integral Electronics
Valve option code 0 (6+PE)
Valve option code 5 (11+PE)
Valve option code 7 (6+PE with enable)
Name plate (main stage)

Related product manuals