EasyManua.ls Logo

Peavey AAM 802

Peavey AAM 802
20 pages
To Next Page IconTo Next Page
To Next Page IconTo Next Page
To Previous Page IconTo Previous Page
To Previous Page IconTo Previous Page
Loading...
15
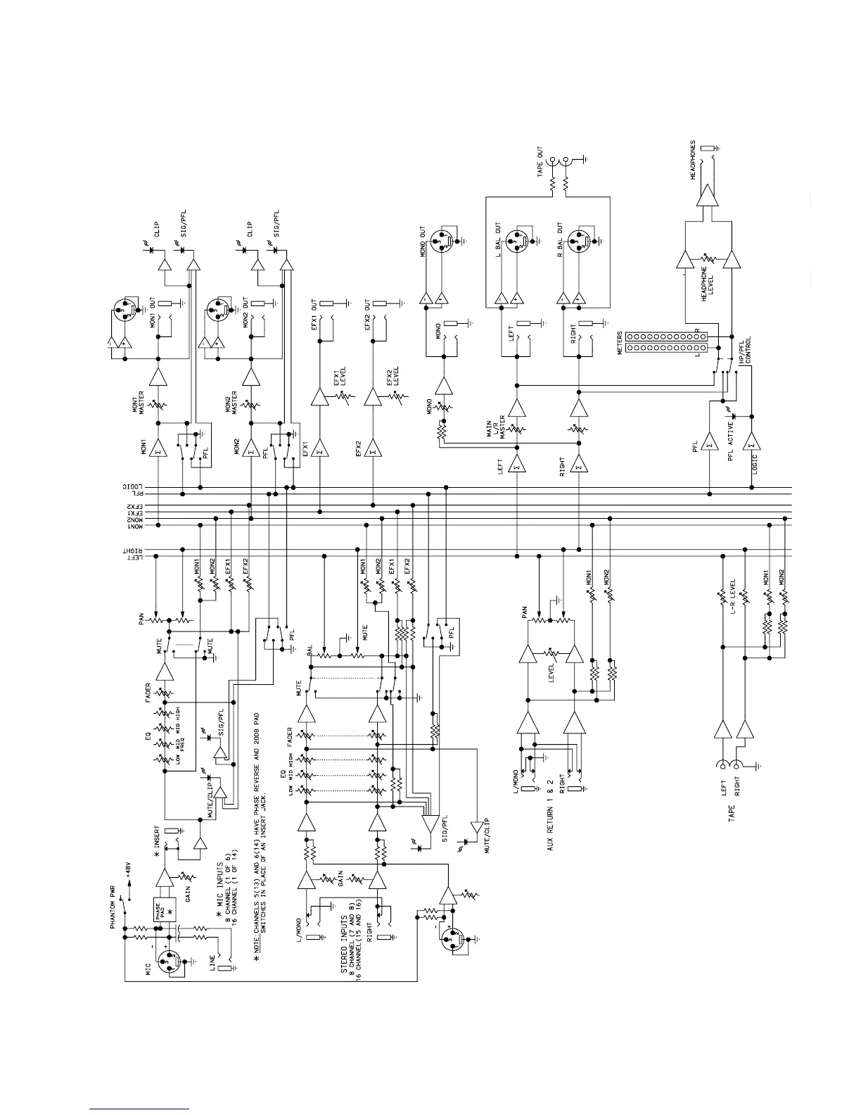
AAM 802/1602 Series
BLOCK DIAGRAM

Other manuals for Peavey AAM 802

Related product manuals