EasyManua.ls Logo

Peavey Versamix - Page 14

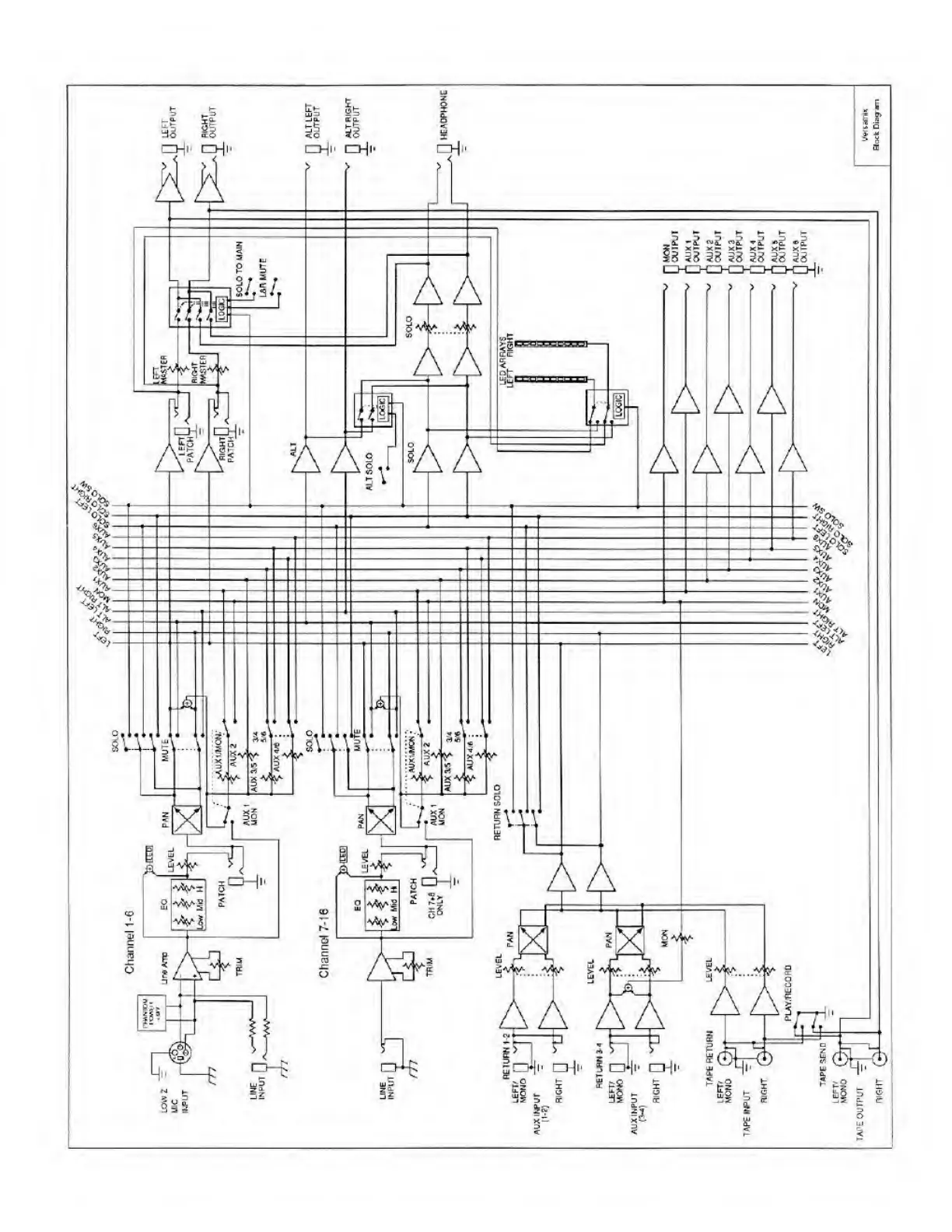
Peavey Versamix
23 pages
Print Icon
To Next Page IconTo Next Page
To Next Page IconTo Next Page
To Previous Page IconTo Previous Page
To Previous Page IconTo Previous Page
Loading...
'ia

Related product manuals