EasyManua.ls Logo

Peavey XR 1000L - Block Diagram

Peavey XR 1000L
15 pages
To Next Page IconTo Next Page
To Next Page IconTo Next Page
To Previous Page IconTo Previous Page
To Previous Page IconTo Previous Page
Loading...
24
24
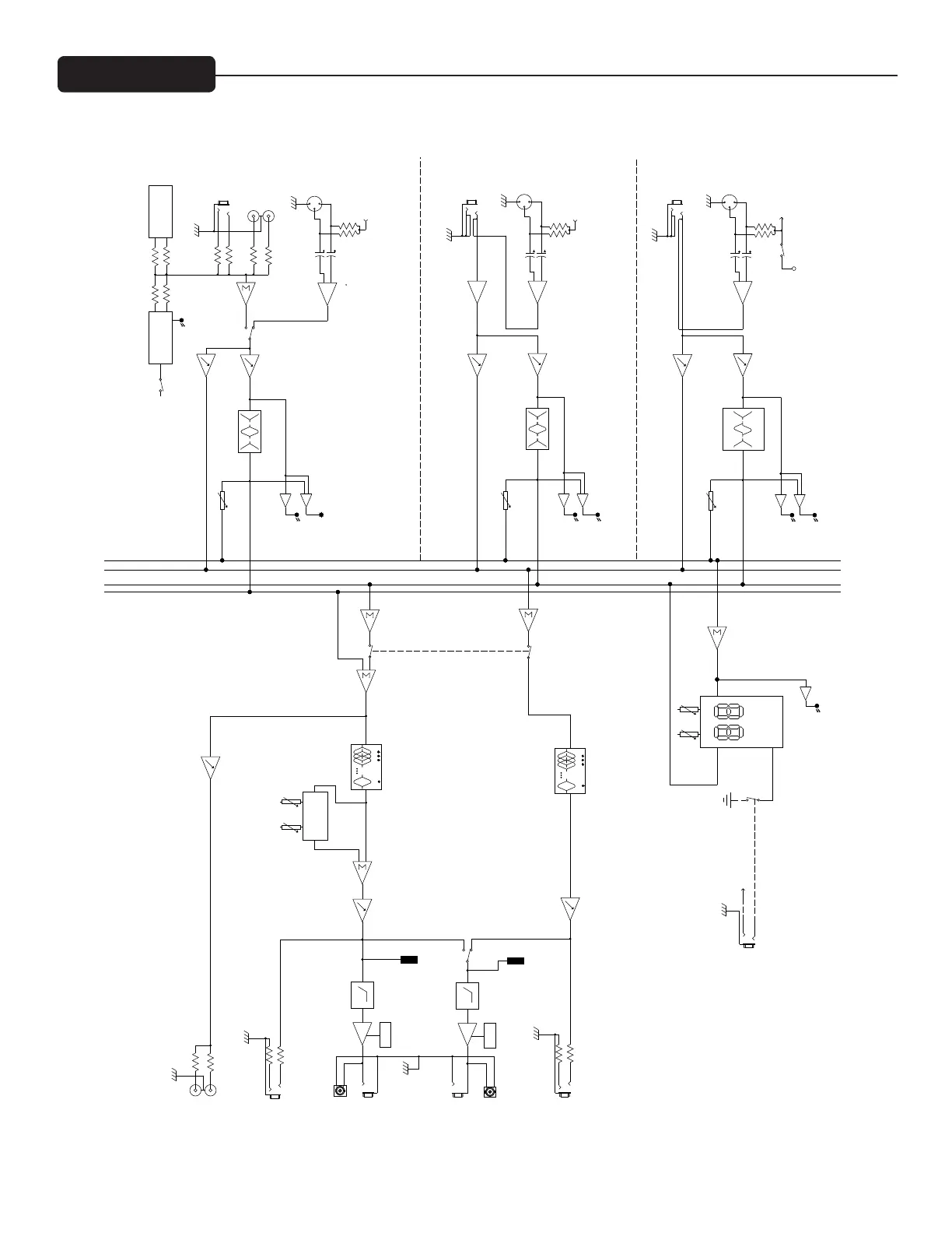
Block Diagram
Graphic EQ with FLS
HI PASS
EQ
LO MID HI
LO
80Hz
4kHz
MID-MORPH
12kHz
HI
400Hz
Meridian, MS 39301
Peavey Electronics Corp.
P. O. Box 2898
4
3
2
1
D
4
3
2
1
CBA
A B C D
Sheet Title:
Title:
Sheet
Date:
of
D
EQ
LO MID HI
Graphic EQ with FLS
HI PASS
2
1
2
1
+V
7 - BAND EQ
LEVEL
OUT
OUTPUTS
AMP2
AMP1
SPEAKER
MAIN
OUT
LOW HIGH
KOSMOS - C
MASTER
VOLUME
EFX
SELECTOR
DIGITAL
EFX
PARAMETER
CLIP
EFX
FOOTSWITCH
DEFEAT
MONITOR
EFX
XLR
SIGNAL
LEFT
RIGHT
LINE
SUM
MIC PRE
EQ
SIGNAL
XLR
LEVEL
EFX
MIC PRE
HI-Z
LINE/HI-Z
EQ
CLIP
SIGNAL
XLR
MIC PRE
EFX
LINE
CLIP
EQ
CHANNEL 1 - 6
EFX
MON
CH. 1-7
CH. 8
MONITOR
MONITOR
LEVEL
CHANNEL 7 HI-Z
CHANNEL 8
VOLUME
MONITOR
LEVEL
AMP 1
AMP 2
MONITOR
ASSIGN
AMP2
LEVEL
LEVEL
RECORD
REC
OUT
MON
MP3 IN
CH 1-7
MUTE
MUTE
MP3 PLAYER BLUETOOTH
CLIP
STATUS
7 - BAND EQ
LIMITER
LIMITER
AMP1
AMP2
XR1000L BLOCK DIAGRAM
DEFEAT / MUTE 1-7
MUTE1-7
PHANTOM
PXR1000_BBLK
4-17-2014_10:512 2
PHANTOM
2
3
1
2
3
1
PHANTOM
2
3
1

Related product manuals