EasyManua.ls Logo

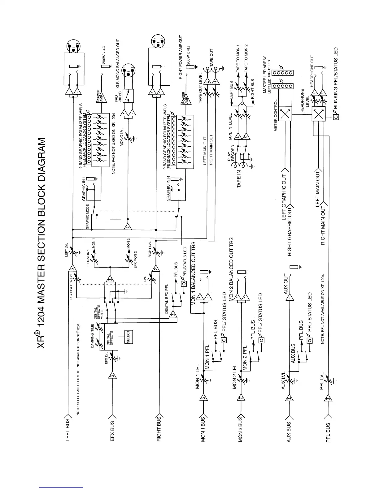
Peavey XR 1204 - Master Section Block Diagram; Master Signal Flow Schematics

Peavey XR 1204
21 pages
Print Icon
To Next Page IconTo Next Page
To Next Page IconTo Next Page
To Previous Page IconTo Previous Page
To Previous Page IconTo Previous Page
Loading...

Related product manuals