EasyManua.ls Logo

PEERLESS PureFire PF-200 - Page 7

PEERLESS PureFire PF-200
93 pages
Print Icon
To Next Page IconTo Next Page
To Next Page IconTo Next Page
To Previous Page IconTo Previous Page
To Previous Page IconTo Previous Page
Loading...
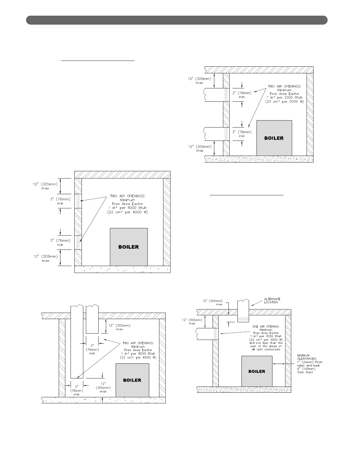
5. Outdoor Combustion Air: Outdoor combustion air is
to be provided through one or two permanent
openings. The minimum dimension of these air
openings is 3 inches (76 mm).
a. Two Permanent Opening Method
: Provide two
permanent openings. One opening is to begin
within 12 inches (305 mm) of the top of the space
and the other is to begin within 12 inches (305
mm) of the floor. The openings are to
communicate directly or by ducts with the
outdoors or with spaces that freely communicate
with the outdoors. The size of the openings shall
be determined as follows:
i. Where communicating directly or through
vertical ducts with the outdoors each opening
shall have a minimum free area of 1 in
2
per
4000 Btu/hr (22 cm
2
per 4000 W) of total
input rating for all equipment in the space. See
Figure 1.5 for openings directly
communicating with the outdoors or Figure
1.6 for openings connected by ducts to the
outdoors.
ii. Where communicating with the outdoors through
horizontal ducts, each opening shall have a
minimum free area of 1 in
2
per 2000 Btu/hr (22
cm
2
per 2000 W) of total rated input for all
appliances in the space. See Figure 1.7.
b. One Permanent Opening Method
: Provide one
permanent opening beginning within 12 inches
(305 mm) of the top of the space. The opening
shall communicate directly with the outdoors,
communicate through a vertical or horizontal duct,
or communicate with a space that freely
communicates with the outdoors. The opening
shall have a minimum free area of 1 in
2
per 3000
Btu/hr of total rated input for all appliances in the
space and not less than the sum of the cross-
sectional areas of all vent connectors in the space.
The gas-fired equipment shall have clearances of
at least 1 inch (25 mm) from the sides and back
and 6 inches (150 mm) from the front of the
appliance. See Figure 1.8 for this arrangement.
5
Figure 1.5: Air Openings – All Air Directly from
Outdoors
Figure 1.6: Air Openings – All Air from Outdoors
through Vertical Ducts
Figure 1.7: Air Openings – All Air from Outdoors
through Horizontal Ducts
Figure 1.8: Air Openings – All Air from Outdoors
through One Opening
PREINSTALLATION

Table of Contents

Related product manuals