EasyManua.ls Logo

PEERLESS PureFire REV2 PF-110 - Page 45

Default Icon
95 pages
Print Icon
To Next Page IconTo Next Page
To Next Page IconTo Next Page
To Previous Page IconTo Previous Page
To Previous Page IconTo Previous Page
Loading...
43
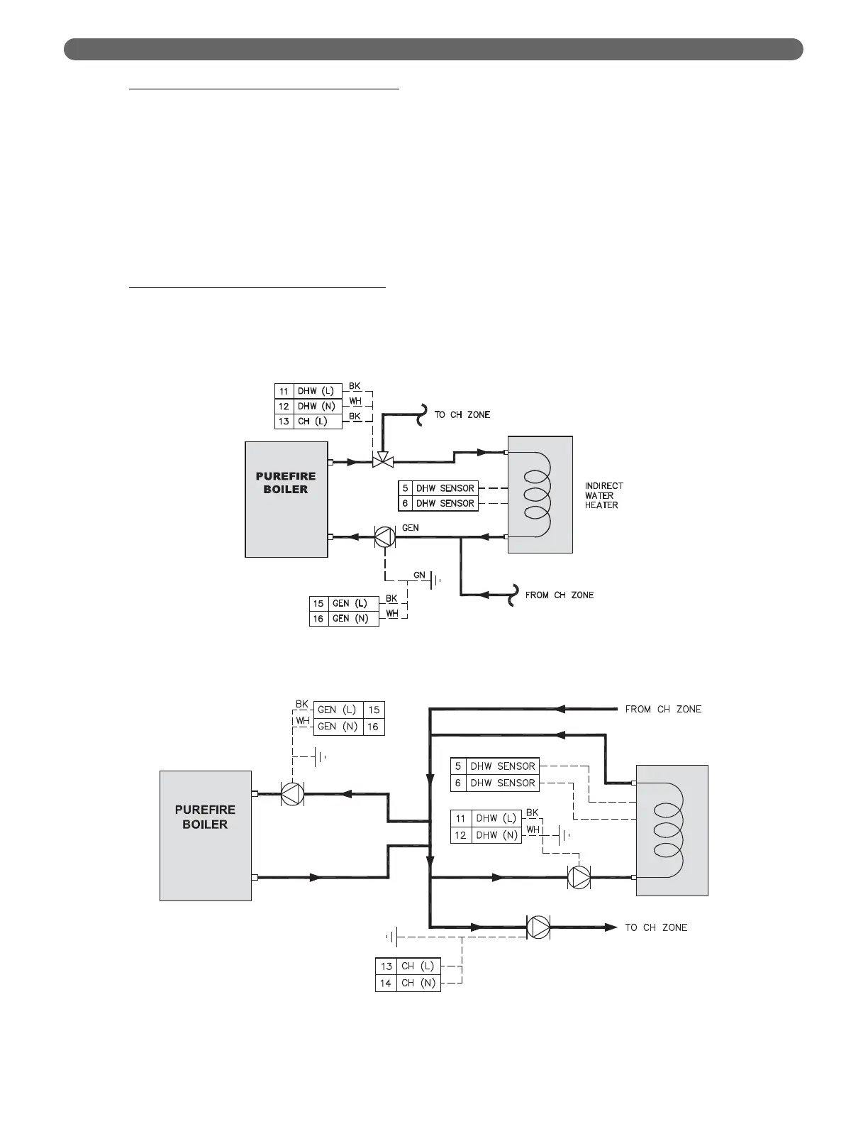
Pump Mode 1 – General Pump with 3-Way Valve:
Mode 1 allows the boiler to be installed with a three
way valve which diverts water from the boiler supply
connection to either central heating or domestic hot
water. Figure 8.2 shows typical piping for Pump
Mode 1 without a DHW tank and Figure 8.4
* shows
typical piping with a DHW tank.
*as revised.
In this mode, the general pump always runs when the
boiler is operating. The three-way valve always direct
the water toward the DHW tank when no heat
demand is present.
Pump Mode 2 – Manifold with Pump for DHW
:
Mode 2 is intended for use with primary/secondary
piping or other hydraulic separation. Figure 8.2 shows
typical piping for Pump Mode 2 for central heating
only and Figure 8.5 shows typical piping for central
heating with a DHW tank.
This mode is preferred if multiple heating zones are
used. The general pump operates to assure proper
flow through the boiler at all times.
Like mode 1, the general pump always runs when the
boiler is operating. The Ch pump provides circulation
to CH zones and the DHW pump provides circulation
to the DHW tank.
The figures also show the electrical connections from
the pumps to the boiler terminals.
In this mode, the general pump always runs when the
boiler is operating. The three way valve always directs
the water toward the DHW tank when a heat demand
has ended.
BOILER CONTROL: INTERNAL WIRING & OPERATION
Figure 8.4: Pump Mode = 1, DHW Mode = 1 or 2
Figure 8.5: Pump Mode = 2, DHW Mode = 1 or 2

Table of Contents

Related product manuals