EasyManua.ls Logo

PEERLESS WV-DV - Page 16

PEERLESS WV-DV
24 pages
Print Icon
To Next Page IconTo Next Page
To Next Page IconTo Next Page
To Previous Page IconTo Previous Page
To Previous Page IconTo Previous Page
Loading...
14
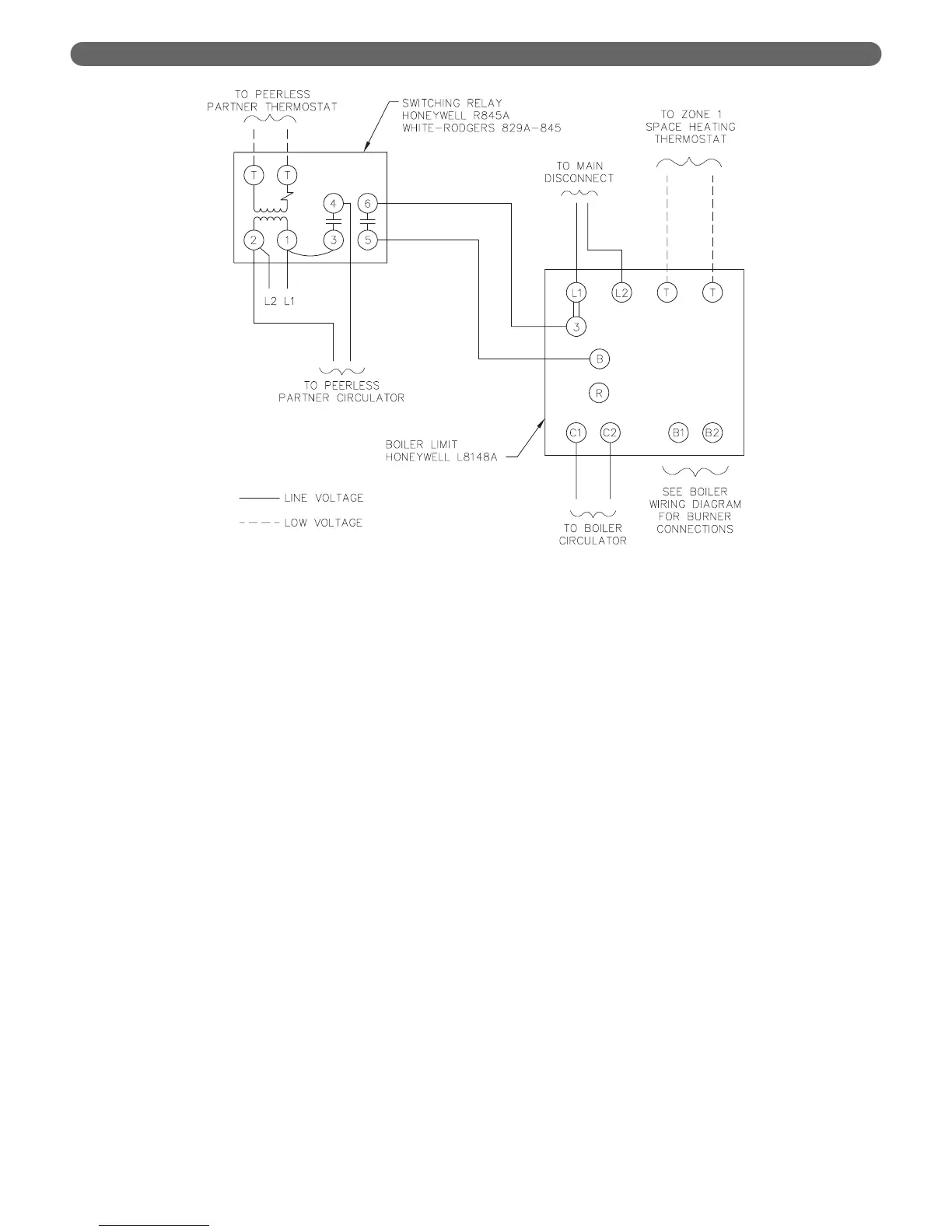
Figure 6.7: Partner with Circulator (Non-priority)
ELECTRICAL

Related product manuals