EasyManua.ls Logo

Penlon AV-S - Page 46

Penlon AV-S
94 pages
Print Icon
To Next Page IconTo Next Page
To Next Page IconTo Next Page
To Previous Page IconTo Previous Page
To Previous Page IconTo Previous Page
Loading...
Note
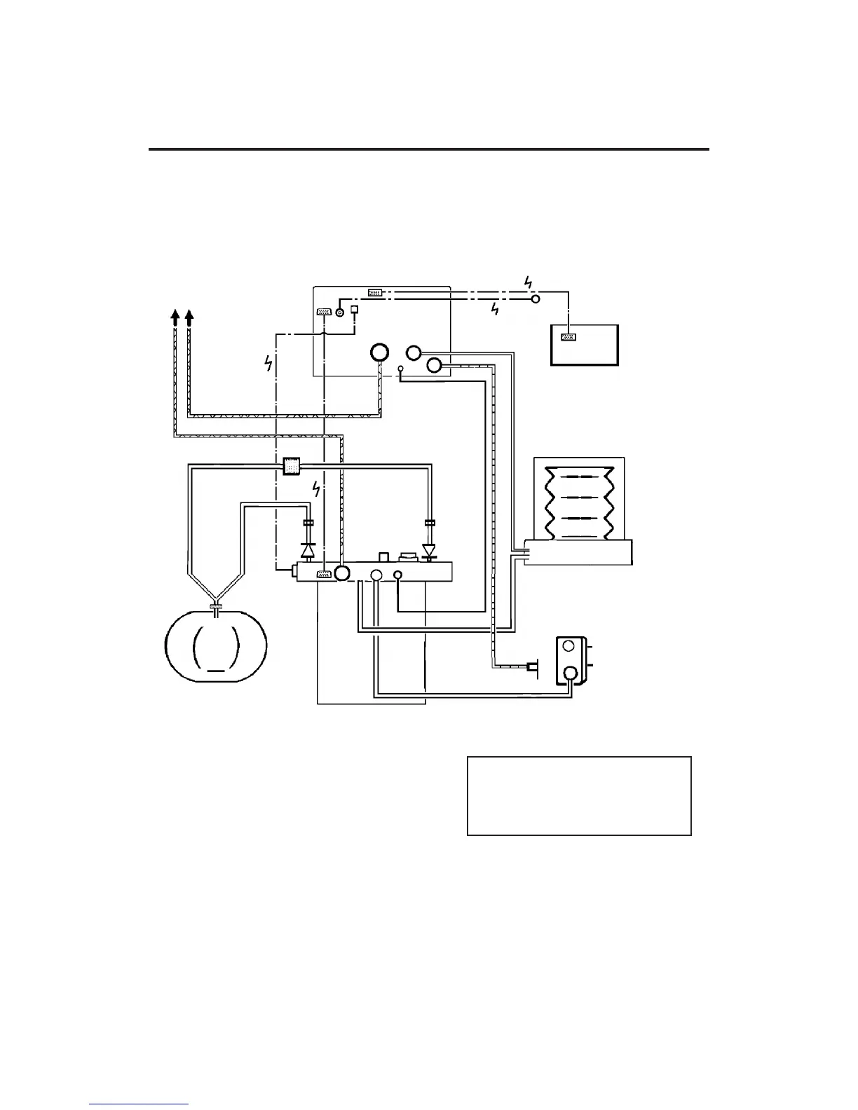
1. AV-S has spirometry and oxygen monitor.
2. Interface cabling is shown for Prima SP2
On/Off switch and A200SP Bag/Vent
switch.
40
Hoses and Cables Schematic
AV-S and A200SP Absorber
PRE-OPERATION PROCEDURES
1
2
3
6
7
8
12
13
16
14
26
17
15
12
19
18
20
24
25
23
28
27
29
31
30
26
21
22
9
1011
4
5

Table of Contents

Other manuals for Penlon AV-S