EasyManua.ls Logo

Pentair JUNG PUMPEN BASICLOGO EXM Series - Page 71

Pentair JUNG PUMPEN BASICLOGO EXM Series
80 pages
Go to English
To Next Page IconTo Next Page
To Next Page IconTo Next Page
To Previous Page IconTo Previous Page
To Previous Page IconTo Previous Page
Loading...
71
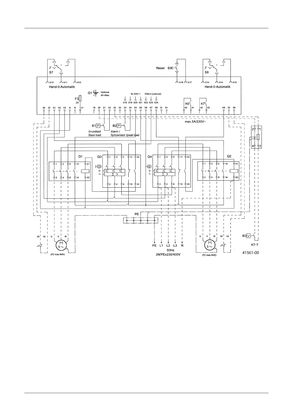
BD ... XM / BD ... ExM, TLS

Related product manuals