EasyManua.ls Logo

Perkins 1106D - Page 16

Perkins 1106D
108 pages
Print Icon
To Next Page IconTo Next Page
To Next Page IconTo Next Page
To Previous Page IconTo Previous Page
To Previous Page IconTo Previous Page
Loading...
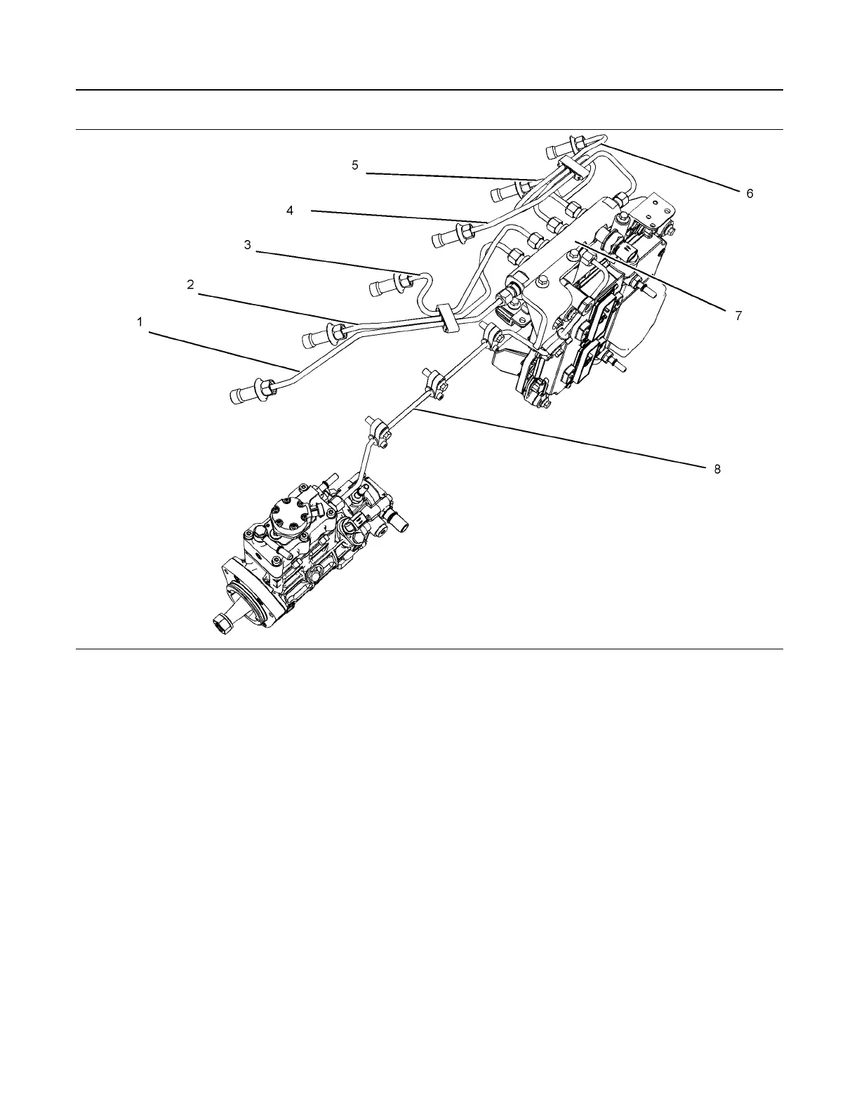
Illustration 14 g01341328
(1) High pressure line
(2) High pressure line
(3) High pressure line
(4) High pressure line
(5) High pressure line
(6) High pressure line
(7) High pressure fuel manifold (rail)
(8) High pressure line
The high pressure fuel lines are the fuel lines that are
between the high pressure fuel pump and the high
pressure fuel manifold and the fuel lines that are
between the fuel manifold and cylinder head. These
fuel lines are different from fuel lines on other fuel
systems.
This is because of the following differences:
The high pressure fuel lines are constantly
charged with high pressure.
The internal pressures of the high pressure fuel
lines are higher than other types of fuel system.
The high pressure fuel lines are formed to shape
and then strengthened by a special process.
Do not step on the high pressure fuel lines. Do not
deflect the high pressure fuel lines. Do not bend or
strike the high pressure fuel lines. Deformation or
damage of the high pressure fuel lines may cause a
point of weakness and potential failure.
Do not check the high pressure fuel lines with the
engine or the starting motor in operation. After the
engine has stopped allow 60 seconds to pass in
order to allow the pressure to be purged before any
service or repair is performed on the engine fuel
lines.
Do not loosen the high pressure fuel lines in order to
remove air from the fuel system. This procedure is
not required.
Visually inspect the high pressure fuel lines before
the engine is started. This inspection should be each
day.
If you inspect the engine in operation, always use the
proper inspection procedure in order to avoid a fluid
penetration hazard. Refer to Operation and
Maintenance Manual, “General hazard Information”.
Inspect the high pressure fuel lines for damage,
deformation, a nick, a cut, a crease, or a dent.
16
SEBU8119-04
Safety Section
High Pressure Fuel Lines

Table of Contents

Other manuals for Perkins 1106D

Related product manuals