EasyManua.ls Logo

Perkins M185C - Page 25

Perkins M185C
86 pages
Print Icon
To Next Page IconTo Next Page
To Next Page IconTo Next Page
To Previous Page IconTo Previous Page
To Previous Page IconTo Previous Page
Loading...
TPD1317e Chapter 3
Page 21
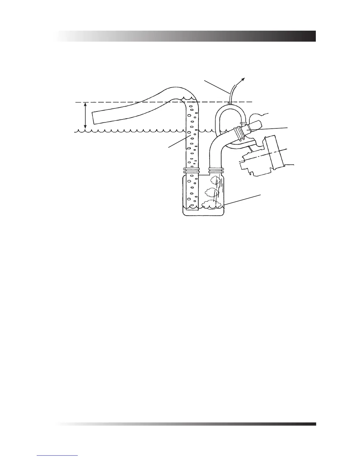
1/2” bore
siphon
break
To overboard outlet
Water
injection
elbow
Exhaust tank
(water lock)
Exhaust riser
Top of exhaust riser and point
at which the siphon break is
connected to the engine pipe
work must be above the water
line under the worst possible
conditions (normally a distance
of 450mm (18”) under static
conditions will be sufcient)
450mm (18”)
Figure 10 - Water lift system
a. Minimum volume of exhaust tank should be 3 times the volume of the water in the riser.
b. The tank should be installed near the centre-line of sailing craft.

Related product manuals