EasyManua.ls Logo

Perkins M185C - Location Of Engine Installation Points

Perkins M185C
86 pages
Print Icon
To Next Page IconTo Next Page
To Next Page IconTo Next Page
To Previous Page IconTo Previous Page
To Previous Page IconTo Previous Page
Loading...
TPD1317e
Page 1
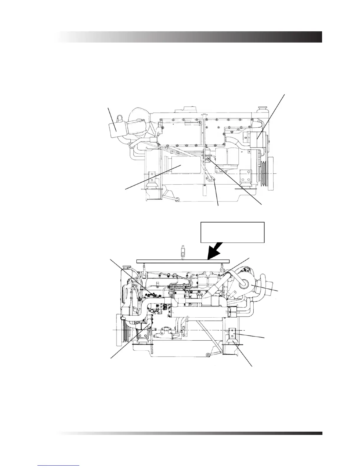
Location of Engine Installation Points
Exhaust Systems
(See section 3)
Electrical Systems
(See section 7)
Starter Cables (See
section 7.5)
Fuel Feed (See
section 6.1)
Bonding Stud
(See section 7.6)
Engine Controls
(See section 8)
Fuel Return
(See section
6.1)
Ventilation (See
section 4)
Mounting Brackets
(See section 1.2)
Flexible Mounts
(See section 1.3)
Cooling Systems
(See section 5)
Warning!
Use spreader bar when
lifting 6 cylinder engines
Engine side views

Related product manuals