EasyManua.ls Logo

Perkins M215C - Page 52

Perkins M215C
86 pages
Print Icon
To Next Page IconTo Next Page
To Next Page IconTo Next Page
To Previous Page IconTo Previous Page
To Previous Page IconTo Previous Page
Loading...
Chapter 7 TPD1317e
Page 48
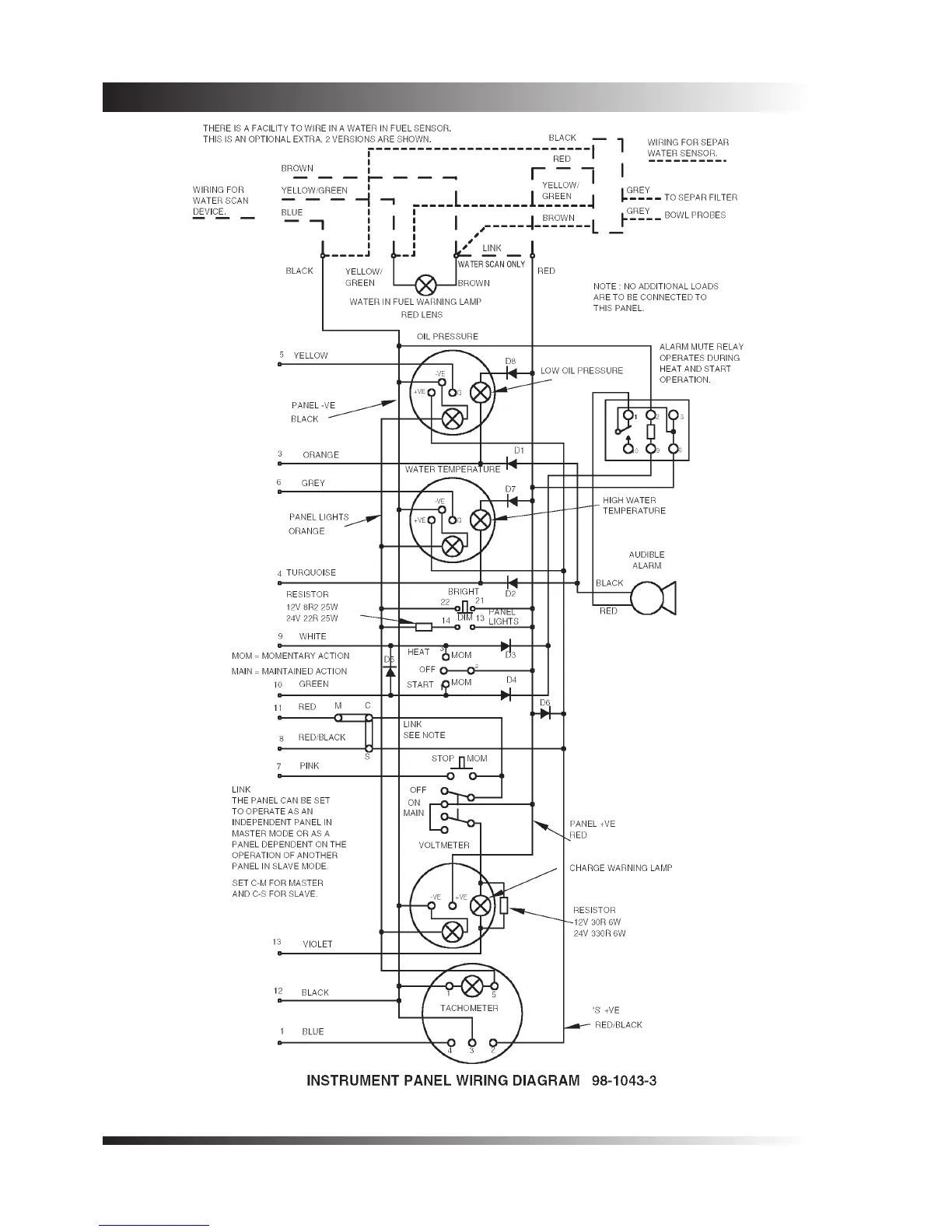
Figure 14