EasyManua.ls Logo

Perlick PKD24B - Electrical Diagram (Effective 06;2007)

Perlick PKD24B
19 pages
Print Icon
To Previous Page IconTo Previous Page
To Previous Page IconTo Previous Page
Loading...
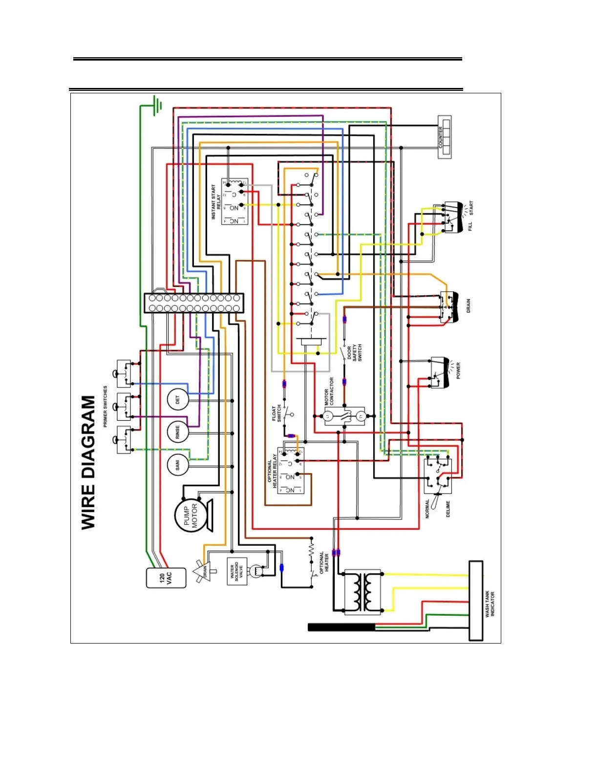
Electrical Diagram
PKD24B PARTS MANUAL Rev. 11.09 Page 18
6. Electrical Diagram (Effective 06/2007)
Form No. Z2361