EasyManua.ls Logo

Peter electronic VB 230-6 L - 6 Block Diagram

Peter electronic VB 230-6 L
26 pages
Print Icon
To Next Page IconTo Next Page
To Next Page IconTo Next Page
To Previous Page IconTo Previous Page
To Previous Page IconTo Previous Page
Loading...
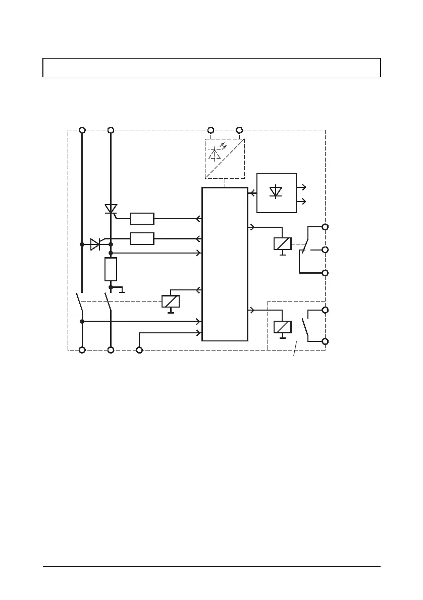
6 VB230/400-6/25/30L (LP)
6. Block diagram
Explanation: The designations for the housing variant are indicated without brackets,
whereas those applicable for the circuit-board version are put into brackets.
Brems-
relais
Controller
(L1)
1L1
(L2)
3L2
2T1
(T1)
4T2
(T2)
6T3
(T3)
X5
X6
(X10)
(X11)
Current detection
(X1)
X3
(X2)
X4
Fault
only available with circuit-board version (LP)
24V
5V
X7
Interlocking